Datasheet4U Logo Datasheet4U.com
SANYO (now Panasonic) logo

LC7153

Manufacturer: SANYO (now Panasonic)

LC7153 datasheet by SANYO (now Panasonic).

LC7153 datasheet preview

LC7153 Datasheet Details

Part number LC7153
Datasheet LC7153_SanyoSemiconDevice.pdf
File Size 150.75 KB
Manufacturer SANYO (now Panasonic)
Description Universal Dual-PLL Frequency Synthesizers
LC7153 page 2 LC7153 page 3

LC7153 Overview

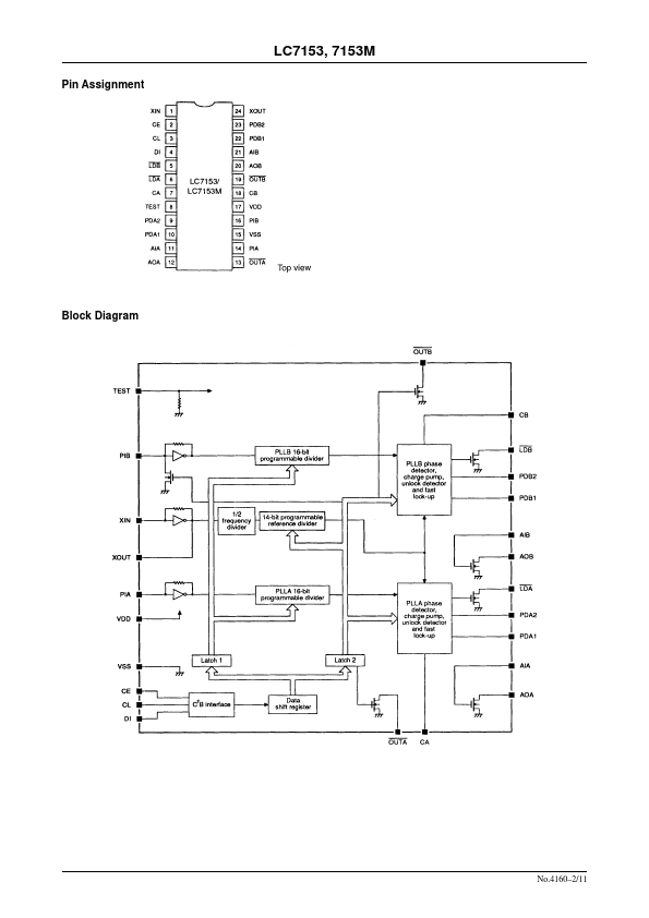
Ordering number:ENN4160A CMOS IC LC7153, 7153M Universal Dual-PLL Frequency Synthesizers Overview The LC7153 and LC7153M are universal dual-PLL frequency synthesizers for use in cordless telephone applications in the USA, South Korea and Australia, and satellite broadcast tuners in the USA and Europe. The LC7153 and LC7153M both have two PLLs with a 16-bit programmable divider to generate a 1.5 to 160MHz...

LC7153 Key Features

  • Dual charge pump and fast lock-up circuitry for rapid PLL locking
  • PLL unlock indication
  • 16-bit programmable local-oscillator divider
  • 14-bit programmable reference-frequency divider
  • 320Hz to 640kHz reference frequency using a 10.24MHz
  • LPF transistor
  • C2B serial interface
  • 4.0 to 5.5V supply
  • 24-pin DIP (LC7153) and 24-pin MFP (LC7153M)
  • CCB is a trademark of SANYO ELECTRIC CO., LTD

LC7153 Applications

  • Dual charge pump and fast lock-up circuitry for rapid PLL locking
SANYO (now Panasonic) logo - Manufacturer

More Datasheets from SANYO (now Panasonic)

View all SANYO (now Panasonic) datasheets

Part Number Description
LC7153M Universal Dual-PLL Frequency Synthesizers
LC7150 FCC 10-Channel Standard PLL
LC7151 CMOS Si Gate LSI Meeting FCC 10-Channel Standard PLL
LC7152 Universal Dual-PLL Frequency Synthesizers
LC7152KM Universal Dual-PLL Frequency Synthesizers
LC7152M Universal Dual-PLL Frequency Synthesizers
LC7152NM Universal Dual-PLL Frequency Synthesizers
LC7120 CMOS LSI 27MHz CB TRANSCEIVER PLL FREQUENCY SYNTHESIZER
LC7131 CMOS LSI PLL FREQUENCY SYNTHSIZER LSI
LC7132 CMOS LSI PLL FREQUENCY SYNTHSIZER LSI

LC7153 Distributor

Datasheet4U Logo
Since 2006. D4U Semicon. About Datasheet4U Contact Us Privacy Policy Purchase of parts