• Part: LA3246
  • Description: Stereo Preamplifier
  • Manufacturer: SANYO
  • Size: 2.88 MB
Download LA3246 Datasheet PDF
SANYO
LA3246
LA3246 is Stereo Preamplifier manufactured by SANYO.
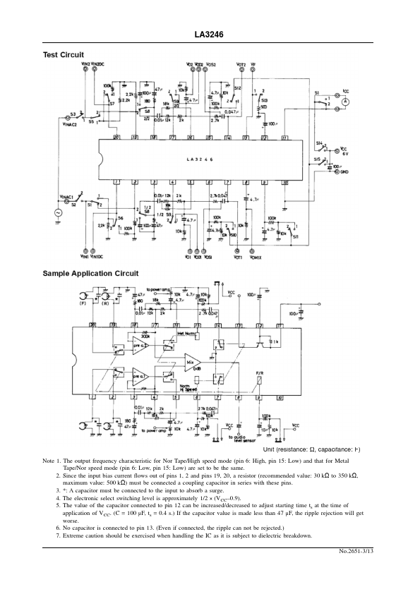
Ordering number: EN 2651B Monolithic Linear IC Stereo Preamplifier for pact Double Cassette Playback-only Use Overview The LA3246 is a stereo preamplifier IC for double cassette tape playback-only use. The LA3246 is intended for use in portable radio-cassette tape recorders and tape decks. Applications . Stereo pact cassette player for playback-only use . Stereo cassette deck player Package Dimensions unit : mm 3021B-DIP20 [LA3246] Functions . Preamplifier × 2, Mixing amplifier × 1, Electronic switch × 6 Features . On-chip electronic switch for input select (auto reverse or . A deck/B deck select) On-chip electronic switch for normal/higher dubbing select and electronic switch for metal/normal tape select . Wide operating voltage range (VCC op = 3.5 to 14 V) . With output MIX pin (for music select control) . Low noise voltage range (VNI = 0.9 µV typ, Rg = 2.2 kΩ . NAB) Can be used in conjunction with the LA3240, 3241, 3242 to easily make up a doublecassette dubbing system. 0 (300 l) Specifications Maximum Ratings at Ta = 25°C Parameter Maximum supply voltage Allowable power dissipation Operating temperature Storage temperature Symbol VCC max Pd max Topr Tstg Maxiumum Ratings at Ta = 25°C Parameter Remended supply voltage Operating voltage range Symbol VCC VCC op Conditions Conditions Ratings Unit...