Datasheet4U Logo Datasheet4U.com
SANYO (now Panasonic) logo

LC72322N

Manufacturer: SANYO (now Panasonic)

LC72322N datasheet by SANYO (now Panasonic).

This datasheet includes multiple variants, all published together in a single manufacturer document.

LC72322N datasheet preview

LC72322N Datasheet Details

Part number LC72322N
Datasheet LC72322N LC72321N Datasheet (PDF)
File Size 199.43 KB
Manufacturer SANYO (now Panasonic)
Description Single-Chip Microcontrollers
LC72322N page 2 LC72322N page 3

LC72322N Overview

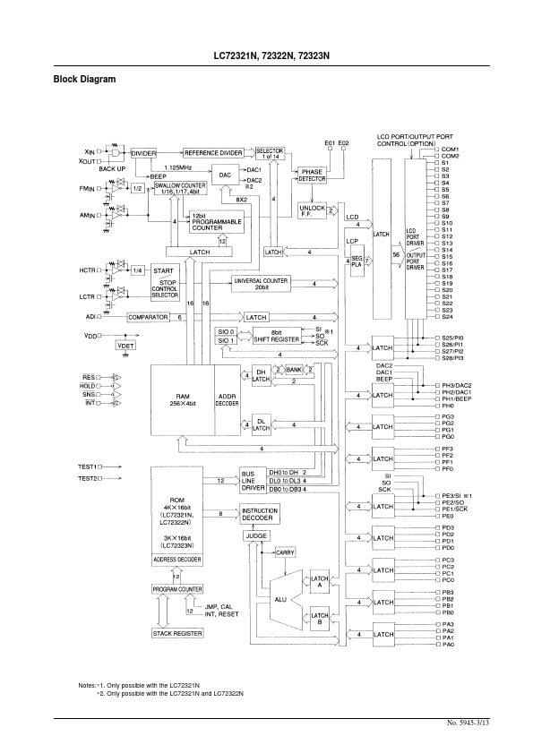
EN5945 CMOS IC LC72321N, 72322N, 72323N Single-Chip Microcontrollers with Built-in LCD Driver and PLL Circuits Overview The LC72321N, LC72322N, and LC72323N are singlechip microcontrollers designed for electronic tuning in radio receivers and include an on-chip LCD driver circuit and a PLL circuit that operates at 150 MHz.

LC72322 from other manufacturers

View LC72322 datasheet index

Brand Logo Part Number Description Other Manufacturers
Sanyo Semicon Device Logo LC72322 Single-Chip Microcontroller Sanyo Semicon Device
Sanyo Semicon Device Logo LC72322R Single-Chip Microcontroller Sanyo Semicon Device
SANYO (now Panasonic) logo - Manufacturer

More Datasheets from SANYO (now Panasonic)

View all SANYO (now Panasonic) datasheets

Part Number Description
LC7232 Single-chip PLL and Microcontroller
LC72321N Single-Chip Microcontrollers
LC72323N Single-Chip Microcontrollers
LC723781N ETR Microcontrollers
LC723782N ETR Microcontrollers
LC723783N ETR Microcontrollers
LC723784 ETR Microcontrollers
LC723785 ETR Microcontrollers
LC7207 (LC7200 Series) C-MOS LSI
LC72151V PLL Frequency Synthesizer

LC72322N Distributor

Datasheet4U Logo
Since 2006. D4U Semicon. About Datasheet4U Contact Us Privacy Policy Purchase of parts