• Part: SDM03C60DA2
  • Description: 600V/3A 3-PHASE FULL-BRIDGE DRIVER
  • Manufacturer: Silan Semiconductors
  • Size: 165.30 KB
Download SDM03C60DA2 Datasheet PDF
Silan Semiconductors
SDM03C60DA2
SDM03C60DA2 is 600V/3A 3-PHASE FULL-BRIDGE DRIVER manufactured by Silan Semiconductors.
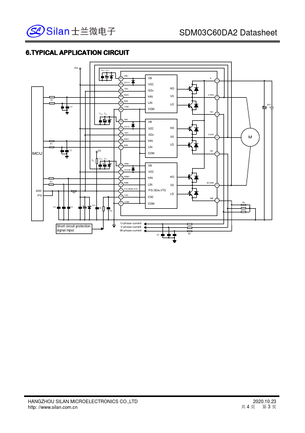
DESCRIPTION SDM03C60DA2 is a 3-phase brushless DC motor driver IC with highly-integrated and high reliability, using for small power motor drive applications such as fan motor, consisting of built-in 6 fast recovery MOSFET and 3 half-bridge HVIC for gate driving. The under voltage, short circuit protections and temperature output integrated make the circuit work safely in a wide range. The current of each phase can be detected separately because there is one independent negative DC terminal for each phase. SDM03C60DA2 is designed with good insulation, perfect thermal properties and low EMI. It is pact and suitable for built-in motors or any other applications requiring the pact installation. DIP-25B 2.FEATURES 3.APPLICATIONS - Built-in 600V/3A fast recovery MOSFET - Built-in high-voltage integrated circuit of gate driver - Built-in under voltage protections, over current protection and temperature output - Built-in shut-down input - Built-in inter-lock function - Built-in bootstrap diode with current limiting resistor - patible with 3.3V, 5V MCU interface, active high - Three independent negative DC terminals for inverter current detection - Isolation rating: 1500Vrms/min - Power factor correction (PFC) - SWPS 4.ORDERING INFORMATION Part No. SDM03C60DA2 Package DIP-25B Marking SDM03C60DA2 Hazardous Substance Control Halogen free Packing Type Tube HANGZHOU SILAN MICROELECTRONICS CO.,LTD http: //.silan..cn 2020.10.23 共4页 第1页 5.PIN CONFIGURATION P1 U, VSU 2 Test point (Tc) NU 3 V,VSV 4 NV 5 W,VSW 6 NW 7 SDM03C60DA2 Datasheet 25 VBU 24 23 INUH 22 INUL 21 VCCU 20 /SDU 19 VBV 18 INVH 17 INVL 16 VCCV 15 /SDV 14 VBW 13 INWH 12 INWL 11 VCCW 10 CSC 9 /FO,/SDW,VTS 8...