Download SQ25821 Datasheet PDF
SQ25821 page 2
Page 2
SQ25821 page 3
Page 3

SQ25821 Description

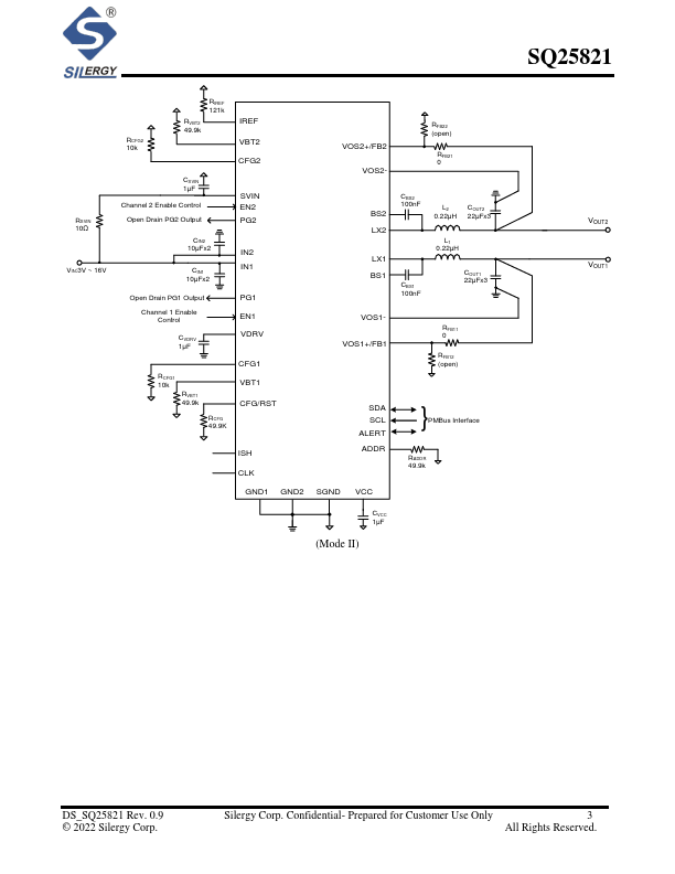
The SQ25821 is a stackable synchronous step-down converter which can operate in two modes. Mode I is a dual phase, single output synchronous step-down converter capable of delivering 30A output current in total. Mode II is a dual synchronous step-down converter capable of delivering 15A/15A output current each.

SQ25821 Key Features

  • Wide Input Voltage Range
  • 4V to 16V if VCC and VDRV are Supplied by Internal LDO
  • 3V to 16V if VCC and VDRV are Supplied by External 3.3V DC Source
  • Low RDS(ON) for Internal Switches (Top FET/Bottom FET): 9/4mΩ
  • 0.6V ±1% Reference Voltage Over Temperature Range (TJ = -40°C to 125°C)
  • Selectable 1-, 2-, or 4 (Two Devices Paralleled) Interleaved Phases Shifts
  • Accurate Current Sharing
  • Power Good Indicator
  • Fast Transient Response
  • Differential Output Voltage Remote Sense