• Part: SY26132
  • Description: Dual Phase Stackable Synchronous Step Down Regulator
  • Manufacturer: Silergy
  • Size: 2.43 MB
Download SY26132 Datasheet PDF
SY26132 page 2
Page 2
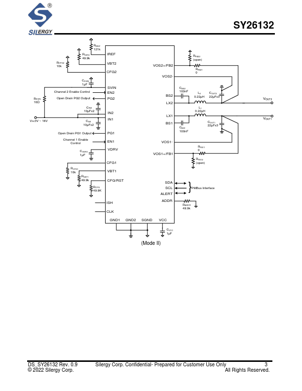
SY26132 page 3
Page 3

Datasheet Summary

High Efficiency 16V Input, 15A, Dual Phase Stackable Synchronous Step Down Regulator General Description The SY26132 is a stackable synchronous stepdown converter which can operate in two modes. Mode I is a dual phase, single output synchronous step-down converter capable of delivering 30A output current in total. Mode II is a dual synchronous step-down converter capable of delivering 15A/15A output current each. Two SY26132 devices can be paralleled together to provide up to 60A capability. The SY26132 operates over a wide input voltage range from 3.0V to 16V and integrates main switches and synchronous switches with very low RDS(ON). The interleaving operating of the SY26132 reduces the input and output capacitance. The device also integrates the PMBus 1.3 patible interface for mode selecting, output voltage setting, input UVLO threshold setting, protection setting, etc. Besides, the device implements measurement system to monitor the output voltages, currents and temperatures for individual channels. The device is available in pact LGA66-42 package. Ordering Information - (- - - ) Package Code Optional Spec Code Ordering Number Package type SY26132NIG LGA66-42 Note Features - Wide Input Voltage Range: - 4V to 16V if VCC and VDRV are Supplied by Internal LDO - 3V to 16V if VCC and VDRV are Supplied by External 3.3V DC Source - Low RDS(ON) for Internal Switches (Top FET/Bottom FET): 9/4mΩ - 0.6V ±1% Reference Voltage Over Temperature Range (TJ = -40°C to 125°C) - Selectable 1-, 2-, or 4 (Two Devices Paralleled) Interleaved Phases Shifts - Accurate Current Sharing - Power Good Indicator - Fast Transient Response - Differential Output Voltage Remote Sense - Fully Protected for Short Circuit, Over Voltage, Over Current and Over-Temperature -...