• Part: SY2A22402B
  • Description: Synchronous Step-Down Regulator
  • Manufacturer: Silergy
  • Size: 1.57 MB
Download SY2A22402B Datasheet PDF
SY2A22402B page 2
Page 2
SY2A22402B page 3
Page 3

Datasheet Summary

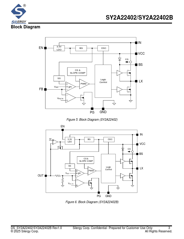
SY2A22402/SY2A22402B 1.8μA Quiescent Current, 0.6A, 40V Input Synchronous Step-Down Regulator General Description The SY2A22402/SY2A22402B high-efficiency synchronous step-down DC/DC converter operates over a wide input voltage range of 4.25V to 40V and delivers up to 0.6A load current. The device integrates very low RDS(ON) main and synchronous MOSFETs to minimize conduction losses. The SY2A22402/SY2A22402B utilizes a peak current control strategy with a constant switching frequency. The SY2A22402 operates at a 500kHz switching frequency with resistor programmable output voltage, while the SY2A22402B operates at a 2.1MHz switching frequency with a fixed output voltage of 3.3V. The device operates with low quiescent current to achieve high efficiency under light load conditions and includes an internal soft-start feature to limit inrush current during power-on. Short-circuit and thermal protection are provided for reliable operation. The SY2A22402/SY2A22402B is available in an SO8E package. Features - Input Voltage Range: 4.25V to 40V - Output Current Capability: 0.6A - Low RDS(ON) for Internal Switches: 225mΩ (Top), 150mΩ (Bottom) - Low Quiescent Current: o SY2A22402: 5μA o SY2A22402B: 1.8μA - Switching Frequency: o SY2A22402: 500kHz o SY2A22402B: 2.1MHz - Internal Soft-Start Limits the Inrush Current - Short-Circuit Protection - Thermal Shutdown and Auto Recovery - Power Good Indicator - pact Package: SO8E - Automotive AEC-Q100 Grade 1 Certified Applications - Automotive - Industrial - High Voltage DC/DC Converters Typical Application VIN CIN 10µF ON/...