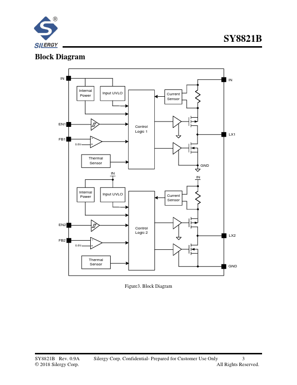
SY8821B Overview
The SY8821B is a dual output, high efficiency 2MHz synchronous step down DC/DC regulator capable of delivering up to 1.0A for each output channel. The SY8821B operates over a wide input voltage range from 2.3V to 5.5V and integrates a main switch and a synchronous switch with very low RDS(ON) to minimize the conduction loss. Ordering Information SY8821 □(□□)□ Temperature Code Pa cka ge Code Optional Spec Code...
SY8821B Key Features
- 2.3V to 5.5V Input Voltage
- 2MHz Switching Frequency
- 180°Out of Phase Operation
- Output Current: 1.0A for Each Channel
- Low RDS(ON) for Internal Switches
- Internal Soft-start
- 100% Dropout Operation
- RoHS pliant and Halogen Free
- pact Package: DFN2x1.5-8
