• Part: SSD1783B
  • Description: LCD Segment / Common COLOR Driver
  • Manufacturer: Solomon Systech
  • Size: 734.62 KB
Download SSD1783B Datasheet PDF
Solomon Systech
SSD1783B
SSD1783B is LCD Segment / Common COLOR Driver manufactured by Solomon Systech.
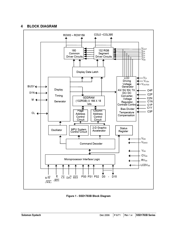
SOLOMON SYSTECH SEMICONDUCTOR TECHNICAL DATA Advance Information 132 RGB x 160 CSTN LCD Segment / mon COLOR Driver with Controller This document contains information on a new product. Specifications and information herein are subject to change without notice. SSD1783B Series Rev 1.4 P 1/71 Dec 2006 Copyright © 2006 Solomon Systech Limited 1 General Description SSD1783B is a single-chip CMOS color STN LCD driver with controller for dot-matrix graphic liquid crystal display system. SSD1783B consists of 556 high voltage driving output pins for driving maximum 132 RGB Segments, 160 mons CSTN panel. SSD1783B consists of 132 RGB x 168 x 18 bits Graphic Display Data RAM (GDDRAM). Data/mands are sent from mon MCU through 16-bit/8-bit 6800-series / 8080-series patible Parallel Interface or 3-wires / 4-wires Serial Peripheral Interface by pins selection. SSD1783B embeds On-Chip Oscillator, DC-DC Converter, bias divider so as to reduce the number of external ponent. With the advanced design, low power consumption, stable LCD operating voltage and flexible die package layout, SSD1783B is suitable for any portable battery-driven applications requiring long operation period with pact size. 2 Features - Power Supply: VDDIO = 1.2V - VDD VDD = 2.4V - 3.6V VCI = VDD - 3.6V - LCD Driving Output Voltage: 19V max - Low Current Sleep Mode - Maximum display size: 132 RGB columns by 160 rows. - Display color support: 262K/65K/4K/256 color selectable, with preset/programmable color look up table (CLUT) - 16-bit/8-bit 6800-series Parallel Interface, 16-bit/8-bit 8080-series Parallel Interface, 3-wires Serial Peripheral Interface and 4-wires Serial Peripheral Interface - On-Chip (132 RGB) X (168) x 18 = 399168 bits Graphic Display Data RAM - Column Re-mapping and RAM Page scan direction control - Center Screen Scrolling, Top Screen Scrolling, Bottom Screen Scrolling and Whole Screen Scrolling - 4X / 5X / 6X/ 7X On-Chip DC-DC Converter - 64...