• Part: SSD1858
  • Description: LCD Segment / Common Driver
  • Manufacturer: Solomon Systech
  • Size: 517.32 KB
Download SSD1858 Datasheet PDF
Solomon Systech
SSD1858
SSD1858 is LCD Segment / Common Driver manufactured by Solomon Systech.
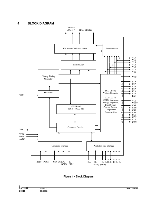
Description SSD1854 is a single-chip CMOS 4 gray scale LCD driver with controller for liquid crystal dot-matrix graphic display system. It consists of 288 high voltage driving output pins for driving maximum 128 Segments and 160 mons, customized for 2-sides COF modules. SSD1854 displays data directly from its internal 128x176x2 bits Graphic Display Data RAM (GDDRAM). Data/mands are sent from general MCU through a hardware selectable 6800-/8080series patible Parallel Interface or 3/4 wires Serial Peripheral Interface. SSD1854 designed with multi-line-addressing (MLA) scheme to improve the display quality and reduce the system power consumption. SSD1854 embeds a DC-DC Converter, a LCD Voltage Regulator, an On-Chip Bias Divider and an On-Chip oscillator, which reduce the number of external ponents. With the special design on minimizing power consumption and die/package layout, SSD1854 is suitable for any portable batterydriven applications requiring a long operation period and a pact size. This document contains information on a new product. Specification and information herein are subject to change without notice. Copyright  2002 SOLOMON Systech Limited Rev 1.0 08/2002 FEATURES - 128 x 160 4 gray-levels Graphic Display - Programmable Multiplex ratio (partial display) [16Mux - 160Mux] - Single Supply Operation, 1.8 V - 3.3V - Low Current Sleep Mode (<1.0u A) - On-Chip Voltage Generator / Regulator & Bias Dividers - Software selectable 3X / 4X / 5X On-Chip DC-DC Converter - On-Chip Oscillator - Maximum +17.0V LCD Driving Output Voltage - Hardware pin selectable for 8/16-bit 6800-series Parallel Interface, 8/16-bit 8080-series Parallel Interface, 3-wire Serial Peripheral Interface or 4-wire Serial Peripheral Interface - Software Selectable On-Chip Bias Dividers - On-Chip 128 x 176 x 2 Graphic Display Data RAM - Re-mapping of Row and Column Drivers - Programmable Window with Vertical Scrolling - Display Offset Control - 64 Levels Internal Contrast Control -...