Datasheet4U Logo Datasheet4U.com

XC6138 - Multi-function voltage detectors

General Description

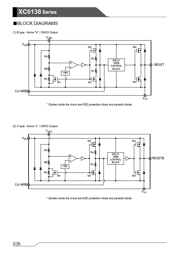
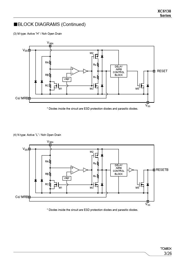
The XC6138 series are high accuracy voltage detectors that can be detected high voltage with sense pin separation and external delay capacitor adjustable type.

The maximum input voltage of the sense pin is 76V, and the detect voltage can be set between 2.3V to 20.0V.

Key Features

  • Operating voltage range : 2.2V ~ 6.0V VSEN voltage range : 0.0V ~ 76.0V Detect voltage range : 2.3V ~ 20.0V Release voltage range : 2.5V ~ 24.0V (+5% ~ +50% of the detect Voltage) Detect voltage accuracy : ±1.5%(Ta=25℃), ±3.0%(Ta=-40℃~125℃) Release voltage accuracy : ±1.5%(Ta=25℃), ±3.0%(Ta=-40℃~125℃) Temperature Characteristics : ±50ppm/℃ Low supply current : IDD 0.5µA @ VDD=2.2V ISEN 0.15µA @ VSEN=12V Output type : CMOS output or Nch open drain Output logic : H level or L l.

📥 Download Datasheet

Full PDF Text Transcription (Reference)

The following content is an automatically extracted verbatim text from the original manufacturer datasheet and is provided for reference purposes only.

View original datasheet text
XC6138 Series ETR02053-002a Multi-function voltage detectors with separate sense pin (Max:76V) and low consumption current(0.5µA) ■GENERAL DESCRIPTION The XC6138 series are high accuracy voltage detectors that can be detected high voltage with sense pin separation and external delay capacitor adjustable type. The maximum input voltage of the sense pin is 76V, and the detect voltage can be set between 2.3V to 20.0V. This series are capable to monitor high voltage directly and the release voltage can be set between 2.5V to 24.0V as well. Therefore, various combinations of detector voltage and release voltage can be selected.