Datasheet4U Logo Datasheet4U.com

XL4001 - 2A 150kHz 40V Buck DC/DC Converter

General Description

The XL4001 is a 150KHz fixed frequency PWM buck (step-down) DC/DC converter, capable of driving a 2A load with high efficiency, low ripple and excellent line and load regulation.

Key Features

  • Wide 4.5V to 40V Input Voltage Range.
  • Output Adjustable from 1.235V to 37V.
  • Minimum Drop Out 1.5V.
  • Fixed 150kHz Switching Frequency.
  • 2A Constant Output Current Capability.
  • Internal Optimize Power Transistor.
  • Excellent line and load regulation.
  • TTL shutdown capability.
  • EN pin with hysteresis function.
  • With output constant current loop.
  • Built in thermal shutdown function.
  • Built in current limit function.
  • Built in output over voltage.

📥 Download Datasheet

Datasheet Details

Part number XL4001
Manufacturer XLSEMI
File Size 279.40 KB
Description 2A 150kHz 40V Buck DC/DC Converter
Datasheet download datasheet XL4001 Datasheet

Full PDF Text Transcription (Reference)

The following content is an automatically extracted verbatim text from the original manufacturer datasheet and is provided for reference purposes only.

View original datasheet text
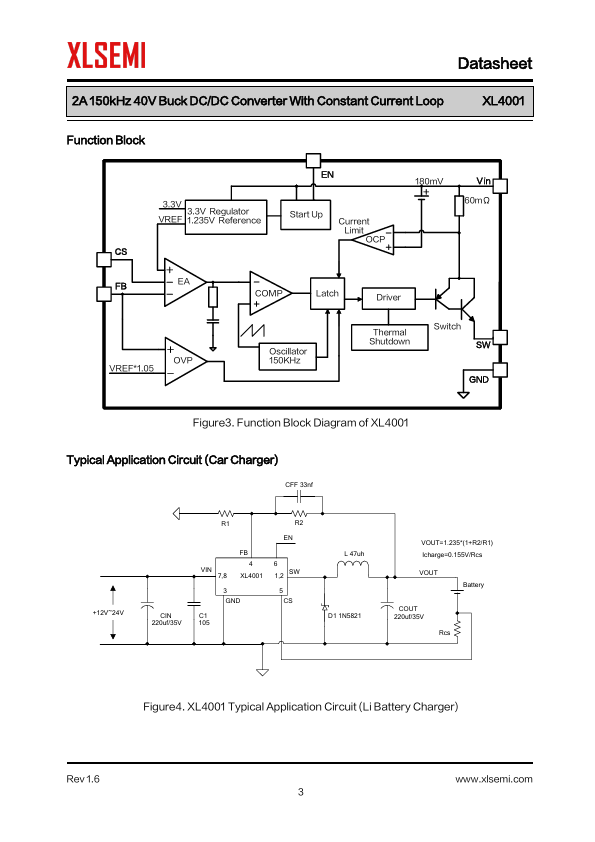
Datasheet 2A 150kHz 40V Buck DC/DC Converter With Constant Current Loop XL4001 Features  Wide 4.5V to 40V Input Voltage Range  Output Adjustable from 1.235V to 37V  Minimum Drop Out 1.5V  Fixed 150kHz Switching Frequency  2A Constant Output Current Capability  Internal Optimize Power Transistor  Excellent line and load regulation  TTL shutdown capability  EN pin with hysteresis function  With output constant current loop  Built in thermal shutdown function  Built in current limit function  Built in output over voltage protection  SOP8-EP (Exposed PAD) package General Description The XL4001 is a 150KHz fixed frequency PWM buck (step-down) DC/DC converter, capable of driving a 2A load with high efficiency, low ripple and excellent line and load regulation.