Part AT84AD001C
Description Dual 8-bit 1 Gsps ADC
Manufacturer e2v
Size 593.26 KB
e2v

AT84AD001C Overview

Key Specifications

Mount Type: Surface Mount
Pins: 144
Operating Voltage: 3.3 V
Max Voltage (typical range): 3.45 V

Description

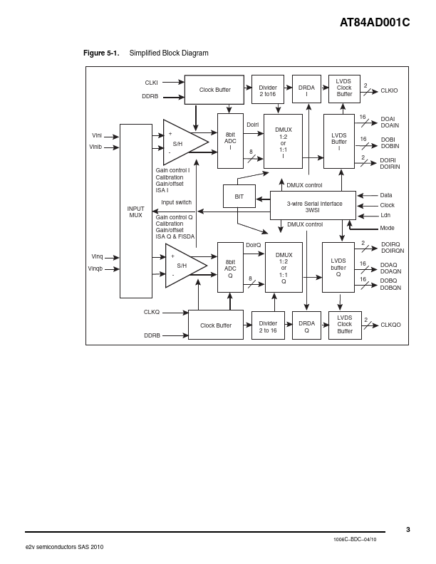
The AT84AD001C is a monolithic dual 8-bit analog-to-digital converter, offering low 1.56W power consumption and excellent digitizing accuracy. It integrates dual on-chip track/holds that provide an enhanced dy.

Key Features

  • Dual ADC with 8-bit Resolution
  • 1 Gsps Sampling Rate per Channel, 2 Gsps in Interleaved Mode
  • Single or 1:2 Demultiplexed Output
  • LVDS Output Format (100Ω)
  • 500 mVpp Analog Input (Differential Only)
  • Differential or Single-ended 50Ω PECL/LVDS Compatible Clock Inputs
  • Power Supply: 3.3V (Analog), 3.3V (Digital), 2.25V (Output)
  • LQFP144 or LQFP-ep 144L Green Packages
  • Temperature Range: – 0°C < Tamb < 70°C (Commercial Grade) – –40°C < Tamb < 85°C (Industrial Grade)
  • Offset and Gain (Channel to Channel) Calibration

Price & Availability

Seller Inventory Price Breaks Buy
No distributor offers were returned for this part.