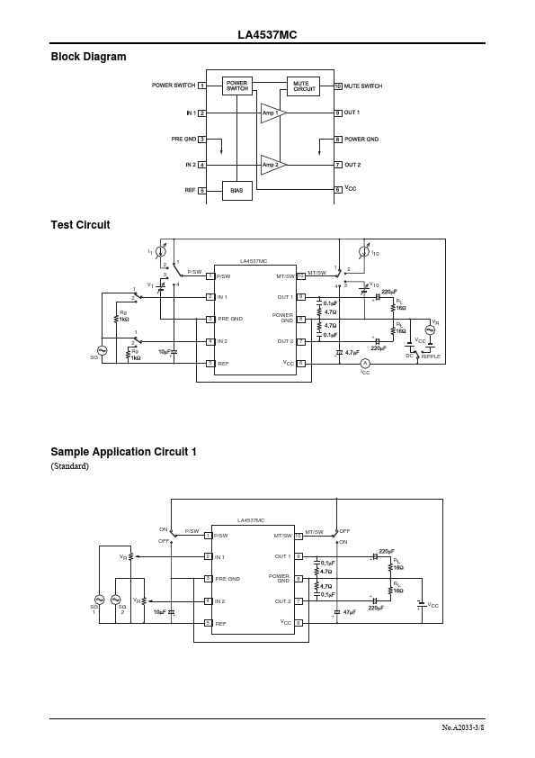
LA4537MC Overview
ENA2033A LA4537MC Monolithic Linear IC Power Amplifier for 1.5V Headphone Stereos http://onsemi.
LA4537MC Key Features
- Low current drain
- 16Ω load drive capability
- Excellent reduced voltage characteristics
- Excellent power supply ripple rejection
- Minimum number of external parts required (no input capacitor, feedback capacitor required)
- Less harmonic interference in radio band
- On-chip power switch function, muting function
