• Part: NCP740
  • Description: High Voltage Linear Regulator
  • Category: Voltage Regulator
  • Manufacturer: onsemi
  • Size: 160.46 KB
Download NCP740 Datasheet PDF
onsemi
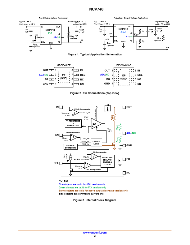
NCP740
features enable pin patible with standard CMOS logic, internal power good circuit with a user programmable delay via external capacitor. The active high output of power good has open drain with internal current limitation. Features - Wide Input Voltage Range: 3 V to 85 V - Output Voltage Versions: - Fixed: 3.3 V (other versions on request) - Adjustable: from 1.2 V up to 20.0 V - ±0.5% Accuracy at TJ = 25°C - Very Low Quiescent Current: 5 m A typ. - Standby Current: 0.5 m A typ. - Stable with 1 m F Ceramic Output Capacitor - Power Good with Programmable Delay - Thermal Shutdown and Current Limit Protection - Built- in Soft Start Circuit to Suppress Inrush Current - Available in Thermally Enhanced MSOP8 EP and DFNW8 3x3 Packages - Output Active Discharge Functions - These are Pb- free Devices MARKING DIAGRAMS MSOP8 EP 3x3 (DN SUFFIX) CASE 846AT XXXXXX AYWZZ XXXX = Specific Device Code A = Assembly Location Y = Year W = Work Week ZZ = Assembly Lot Code DFNW8 3x3 (ML SUFFIX) CASE...