• Part: NFAM3812SCBUT
  • Description: Intelligent Power Module
  • Manufacturer: onsemi
  • Size: 876.78 KB
Download NFAM3812SCBUT Datasheet PDF
onsemi
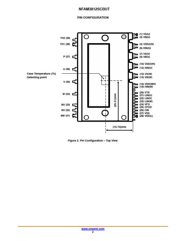
NFAM3812SCBUT
Description The NFAM3812SCBUT is a fully-integrated inverter power module consisting of an independent High side gate driver, LVIC, six Si C MOSFET’s and a temperature sensor (VTS or Thermistor), suitable for driving permanent magnet synchronous (PMSM) motors, brushless DC (BLDC) motors and AC asynchronous motors. The MOSFET’s are configured in a three-phase bridge with separate source connections for the lower legs for maximum flexibility in the choice of control algorithm. The power stage has undervoltage lockout protection (UVP). Internal bootstrap diodes/resistors are provided for high side control. Features - 1200 V 50 A 3-Phase MOSFET Inverter, Including Control ICs for Gate Drive and Protections - Active Logic Interface - Built-in Under-voltage Protection (UVP) - Built-in Bootstrap Diodes/Resistors - Separate Low-side MOSFET Source Connections for Individual Current Sensing of Each Phase - Temperature Sensor (VTS Output by LVIC or Thermistor) - UL Certification: E209204 - This...