Datasheet4U Logo Datasheet4U.com
2N3954A

2N3954A Datasheet

Browse 2N3954A datasheet from multiple manufacturers.

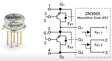
2N3954A: N-Channel Monolithic Dual JFETs.

Select a manufacturer below to open the corresponding datasheet page.

2N3954A Datasheet by Manufacturer

Browse available manufacturers for 2N3954A and open the corresponding datasheet page for each version.

National Semiconductor 2N3954A Datasheet Micross 2N3954A Datasheet Siliconix 2N3954A Datasheet
Since 2006. D4U Semicon. About Datasheet4U Contact Us Privacy Policy Purchase of parts