The LM319 is a Dual Comparator.
| Package | SOP |
|---|---|
| Mount Type | Surface Mount |
| Pins | 14 |
| Operating Voltage | 15 V |
| Max Voltage (typical range) | 18 V |
| Min Voltage (typical range) | 5 V |
| Output Type (varies by manufacturer) | TTL |
| Height | 1.65 mm |
| Part Number | LM319 Datasheet |
|---|---|
| Manufacturer | Linear Technology |
| Overview | The LT®119A is an improved version of the LM119 dual comparator. It features lower input offset voltage and offset current, higher voltage gain, guaranteed common mode rejection and input protection d. n Guaranteed Maximum 0.5mV Input Offset Voltage n Input Protection Diodes n Operates From Single 5V Supply n 25mA Drive Capability n 80ns Response Time APPLICATIONS n Window Detectors n High Speed One Shot n Relay/Lamp Drivers n Voltage Controlled Oscillators DESCRIPTION The LT®119A is an im. |
| Part Number | LM319 Datasheet |
|---|---|
| Description | HIGH SPEED DUAL COMPARATORS |
| Manufacturer | STMicroelectronics |
| Overview |
These products are precision high-speed dual comparators designed to operate over a wide range of supply voltages down to a single 5 V logic supply and ground. They feature low input currents and high.
* Two independent comparators * Supply voltage: +5 V to ±15 V * Typically 80 ns response time at ±15 V * Minimum fan-out of two each side * Maximum input current of 1 µA over the operating temperature range * Inputs and outputs can be isolated from system ground * High common-mode slew rate Descript. |
| Part Number | LM319 Datasheet |
|---|---|
| Description | Dual voltage comparator |
| Manufacturer | NXP Semiconductors |
| Overview |
The LM319 series are precision high-speed dual comparators fabricated on a single monolithic chip. They are designed to operate over a wide range of supply voltages down to a single 5V logic supply an.
faster response than the LM111 at the expense of higher power dissipation. However, the high-speed, wide operating voltage range and low package count make the LM319 much more versatile than older devices like the µA711.
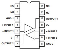
PIN CONFIGURATION
D, N Packages
NC NC GND 1 + INPUT 1 * INPUT 1 V * OUTPUT 2 1 . |
| Part Number | LM319 Datasheet |
|---|---|
| Description | High Speed Dual Comparator |
| Manufacturer | National Semiconductor |
| Overview | The LM119 series are precision high speed dual comparators fabricated on a single monolithic chip. They are designed to operate over a wide range of supply voltages down to a single 5V logic supply an. n Two independent comparators n Operates from a single 5V supply n Typically 80 ns response time at ±15V n Minimum fan-out of 2 each side n Maximum input current of 1 µA over temperature n Inputs and outputs can be isolated from system ground n High common mode sle. |
| Seller | Inventory | Price Breaks | Buy |
|---|---|---|---|
| Newark | 5865 | 1+ : 0.814 USD 10+ : 0.577 USD 25+ : 0.519 USD 50+ : 0.487 USD |
View Offer |
| Newark | 0 | 2500+ : 0.357 USD 5000+ : 0.346 USD |
View Offer |
| Newark | 0 | 2500+ : 0.384 USD 5000+ : 0.375 USD 10000+ : 0.367 USD |
View Offer |
| Part Number | Manufacturer | Description |
|---|---|---|
| LM319 | Fairchild Semiconductor | Dual Comparator |
| LM319 | Texas Instruments | High Speed Dual Comparator |