Datasheet4U Logo Datasheet4U.com

CS5762SCO - 600V Half-Bridge Intelligent Power Module

📥 Download Datasheet

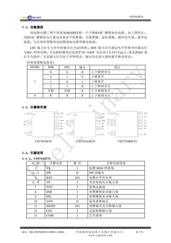
Preview of CS5762SCO PDF
datasheet Preview Page 2 datasheet Preview Page 3

Datasheet Details

Part number CS5762SCO
Manufacturer CR Micro
File Size 1.06 MB
Description 600V Half-Bridge Intelligent Power Module
Datasheet download datasheet CS5762SCO-CRMicro.pdf

📁 CS5762SCO Similar Datasheet

  • CS5762MT - Three-Phase Full-Bridge Intelligent Power Module (Semico)
  • CS5762NT - Three-phase full-bridge Intelligent Power Module (Semico)
  • CS5764MT - Three-phase full-bridge IPM (Semico)
  • CS5764SCO - 600V Half-Bridge IPM Module (Semico)
  • CS5765NG - Three-phase full-bridge Intelligent Power Module (Semico)
  • CS57-04A - Fast Recovery High Voltage Silicon Rectifiers (Fuji Electric)
  • CS57064 - High-Voltage Intelligent Single-Chip BLDC Motor Driver (Semico)
  • CS5752AT - Three-phase full-bridge Intelligent Power Module (Semico)
Other Datasheets by CR Micro
Published: |