Datasheet4U Logo Datasheet4U.com

MT6136 3-Phase High Voltage Gate Driver

📥 Download Datasheet  Datasheet Preview Page 1

Description

MT6136 3-Phase High Voltage Gate Driver IC General .
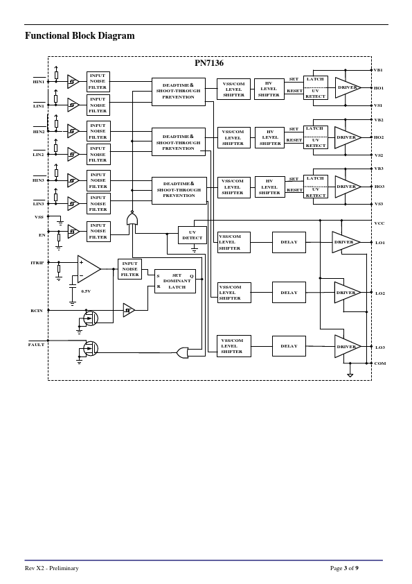
The MT6136 is a high voltage, high speed power MOSFET and IGBT driver with three independent high and low side referenced output channels for 3-phase.

📥 Download Datasheet

Preview of MT6136 PDF
datasheet Preview Page 2 datasheet Preview Page 3

Datasheet Specifications

Part number
MT6136
Manufacturer
Mosway
File Size
443.26 KB
Datasheet
MT6136-Mosway.pdf
Description
3-Phase High Voltage Gate Driver

Features

* Packages/Order information
* Fully operational to +600 V
* 3.3 V logic compatible
* dV/dt Immunity ±50 V/nsec
* Floating channel designed for bootstrap operation
* Gate drive supply range from 10 V to 20 V
* UVLO for all channels
* Cross-conduction prevention logic

Applications

* The floating channels can be used to drive N-channel power MOSFETs or IGBTs in the high side configuration which operates up to 600V. Logic inputs are compatible with CMOS or LSTTL outputs, down to 3.3V logic. A current trip function which terminates all six outputs can be derived from an external

MT6136 Distributors

📁 Related Datasheet

  • MT6131 - 360 Degree Switch (MagnTek)
  • MT6132 - 360 Degree Switch (MagnTek)
  • MT6133 - 360 Degree Switch (MagnTek)
  • MT6135 - 360 Degree Switch (MagnTek)
  • MT6139 - highly integrated RF transceiver IC V2 (MediaTek)
  • MT616 - Manganese Titanium Lithium Rechargeable Batteries (Panasonic)

📌 All Tags

Mosway MT6136-like datasheet