Datasheet4U Logo Datasheet4U.com

R1130H, R1130H001C - 300mA LDO REGULATOR

R1130H Description

R1130x SERIES 300mA LDO REGULATOR NO.EA-078-140822 OUTLINE The R1130x Series are CMOS-based voltage regulator (VR) ICs.VR function has .
SOT-89-5 Pin No.

R1130H Features

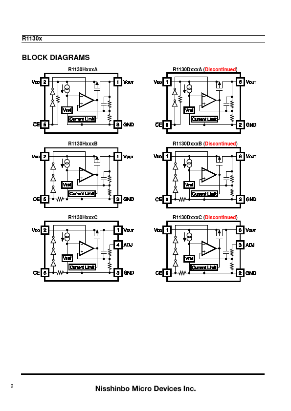
* of high ripple rejection, low dropout voltage, high output voltage accuracy, and ultra-low supply current. Each of these ICs consists of a voltage reference unit, an error amplifier, resistors for setting output voltage, and a current limit circuit. Each of the R1130xxxxA/B type includes also a chip

R1130H Applications

* Power source for CD-drives and DVD-drives, HDD.
* Local Power source for Notebook PC. 1 R1130x BLOCK DIAGRAMS R1130HxxxA R1130HxxxB R1130HxxxC R1130DxxxA (Discontinued) R1130DxxxB (Discontinued) R1130DxxxC (Discontinued) 2 R1130x SELECTION GUIDE The output voltage, CE pin pol

📥 Download Datasheet

This datasheet PDF includes multiple part numbers: R1130H, R1130H001C. Please refer to the document for exact specifications by model.
datasheet Preview Page 2 datasheet Preview Page 3

Datasheet Details

Part number
R1130H, R1130H001C
Manufacturer
Nisshinbo
File Size
1.20 MB
Datasheet
R1130H001C-Nisshinbo.pdf
Description
300mA LDO REGULATOR
Note
This datasheet PDF includes multiple part numbers: R1130H, R1130H001C.
Please refer to the document for exact specifications by model.

📁 Related Datasheet

📌 All Tags

Nisshinbo R1130H-like datasheet