Datasheet4U Logo Datasheet4U.com

NCP12510 - Current-Mode PWM Controller

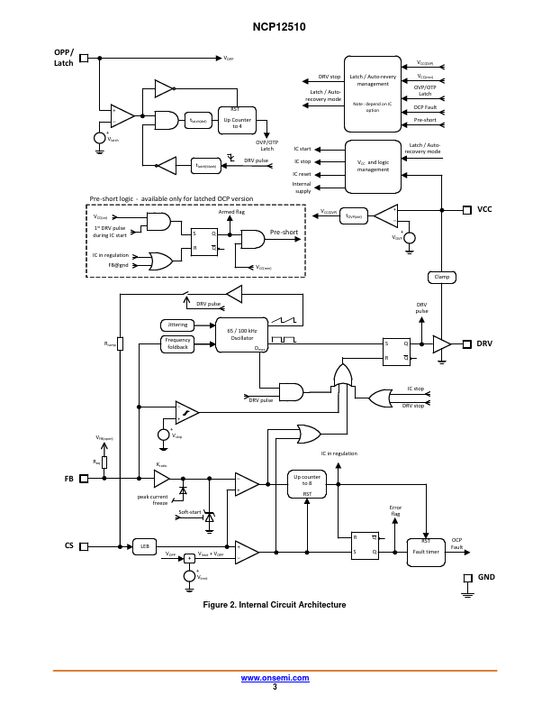
NCP12510 Description

DATA SHEET www.onsemi.com Current-Mode PWM Controller for Off-line Power Supplies NCP12510 MARKING DIAGRAM TSOP-6 (SOT23-6) 5DxAYWG SN SUFFIX G.
Pin No Pin Name Function 1 GND - 2 FB Feedback pin 3 OPP/Latc Adjust the Over Power h Protection Latches off the part 4 CS 5 VCC 6.

NCP12510 Features

* Fixed-Frequency 65 kHz or 100 kHz Current-Mode Control Operation
* Frequency Foldback Down to 26 kHz and Skip-Cycle in Light Load Conditions
* Frequency Jittering in Normal and Frequency Foldback Modes
* Internal and Adjustable Over Power Protection (OPP) Circuit

NCP12510 Applications

* Ac-dc Converters for TVs, Set-top Boxes and DVD Players
* Offline Adapters for Notebooks and Netbooks © Semiconductor Components Industries, LLC, 2016 1 February, 2025 - Rev. 8 Publication Order Number: NCP12510/D NCP12510 Figure 1. Typical Application Example Table 1. PIN D

📥 Download Datasheet

Preview of NCP12510 PDF
datasheet Preview Page 2 datasheet Preview Page 3

📁 Related Datasheet

  • NCP1212 - Current Mode PWM Controller (ON)
  • NCP1215 - Low Cost Variable OFF Time Switched Mode Power Supply Controller (ON)
  • NCP1216 - PWM Current-Mode Controller (ON)
  • NCP1225 - Low Standby Power SMPS Controller (ON)
  • NCP1232 - Microprocessor Monitor (ON)
  • NCP1280 - Active Clamp Voltage Mode PWM Controller (ON)
  • NCP1030 - Integrated DC-DC Converter (ON)
  • NCP1031 - Integrated DC-DC Converter (ON)

📌 All Tags

ON Semiconductor NCP12510-like datasheet

NCP12510 Stock/Price