Datasheet Details
| Part number | NCP303750 |
|---|---|
| Manufacturer | ON Semiconductor ↗ |
| File Size | 648.22 KB |
| Description | Integrated Driver and MOSFET |
| Datasheet |
|
| Part number | NCP303750 |
|---|---|
| Manufacturer | ON Semiconductor ↗ |
| File Size | 648.22 KB |
| Description | Integrated Driver and MOSFET |
| Datasheet |
|
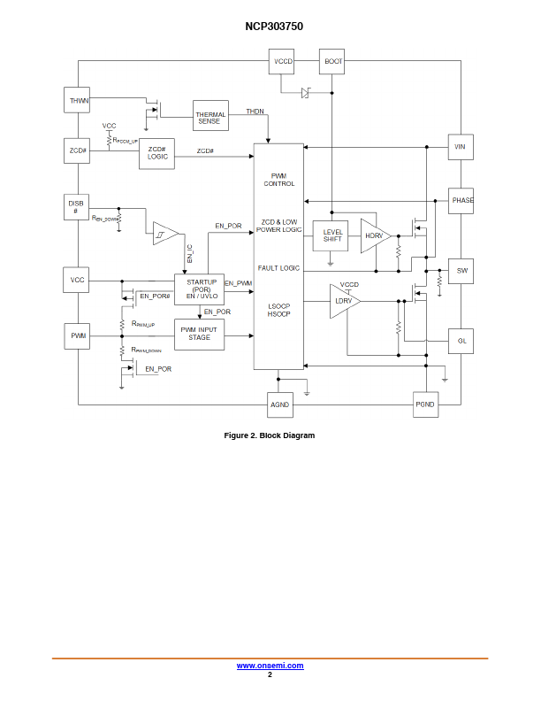
Pin No. Placing PWM into mid-state pulls GH and GL low without delay. 11 12 15, 28 16 26 27,
📁 NCP303750 Similar Datasheet