Datasheet4U Logo Datasheet4U.com

AOZ24585QV - 18V/30A Synchronous Regulator

Datasheet Summary

Description

The AOZ24585QV is a high-efficiency, easy-to-use DC/DC synchronous buck regulator that operates up to 18V.

The device is capable of supplying 30A of continuous output current with an output voltage adjustable down to 0.8V (±0.5%).

The AOZ24585QV integrates an internal linear regulator to generate 5.

Features

  • multiple protection functions such as VCC under-voltage lockout, cycle-by-cycle current limit, output over-voltage protection, short-circuit protection, and thermal shutdown. The AOZ24585QV is available in a 6mm×5mm QFN-36L package and is rated over a -40°C to +125°C ambient temperature range. Features.
  • Wide input voltage range: - 6.5V to 18V.
  • 30A continuous output current.
  • Output voltage adjustable to 0.8V (±0.5%).
  • Low RDS(ON) internal NFETs - 3.6mΩ high-sid.

📥 Download Datasheet

Datasheet preview – AOZ24585QV

Datasheet Details

Part number AOZ24585QV
Manufacturer Alpha & Omega Semiconductors
File Size 4.80 MB
Description 18V/30A Synchronous Regulator
Datasheet download datasheet AOZ24585QV Datasheet
Additional preview pages of the AOZ24585QV datasheet.
Other Datasheets by Alpha & Omega Semiconductors

Full PDF Text Transcription

Click to expand full text
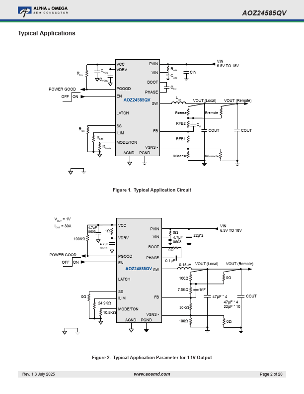
AOZ24585QV 18V/30A Synchronous EZBuckTM Regulator General Description The AOZ24585QV is a high-efficiency, easy-to-use DC/DC synchronous buck regulator that operates up to 18V. The device is capable of supplying 30A of continuous output current with an output voltage adjustable down to 0.8V (±0.5%). The AOZ24585QV integrates an internal linear regulator to generate 5.3V VCC from input. If input voltage is lower than 5.3V, the linear regulator operates at low drop output mode, which allows the VCC voltage is equal to input voltage minus the drop-output voltage of the internal linear regulator.
Published: |