GBLC24 Overview
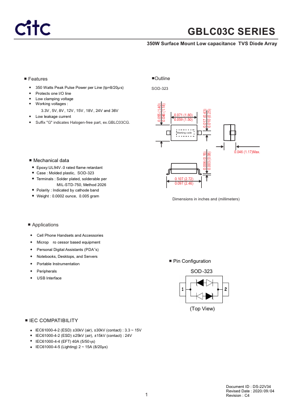
GBLC03C SERIES 350W Surface Mount Low capacitance TVS Diode Array.
GBLC24 Key Features
- 350 Watts Peak Pulse Power per Line (tp=8/20µ s)
- Protects one I/O line
- Low clamping voltage
- Working voltages
- Low leakage current
- Suffix "G" indicates Halogen-free part, ex.GBLC03CG
- Mechanical data
- Epoxy:UL94V-0 rated flame retardant
- Case : Molded plastic, SOD-323
- Polarity : Indicated by cathode band


