• Part: CH7035B
  • Description: DVI Transmitter
  • Manufacturer: Chrontel
  • Size: 170.69 KB
Download CH7035B Datasheet PDF
Chrontel
CH7035B
CH7035B is DVI Transmitter manufactured by Chrontel.
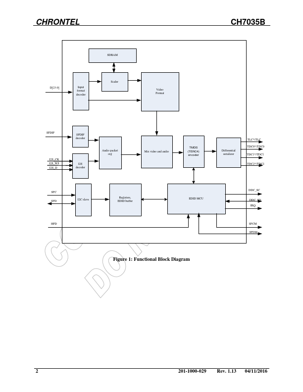
Chrontel Brief Datasheet CH7035B DVI Transmitter Features GENERAL DESCRIPTION - DVI encoder support up to 1080p The Chrontel CH7035B is specifically designed for - SPDIF audio interface supports either 16-bit or 20- consumer electronics device and PC markets which bit stereo data for up to 192k Hz/2ch multiple high definition content display formats are - Support 2 channel I2S digital audio input for up to required. With its advanced video encoder, flexible 24-bit data stream (32k Hz, 44.1k Hz, 48k Hz, scaling engine and easy-to-configure audio interface, the 88.2k Hz, 96k Hz, 176.4k Hzand 192k Hz) CH7035B satisfies manufactures’ products display - DDC master for reading EDID requirements and reduce their costs of development and - Hot plug detection for DVI time-to-market. - On-chip frame buffer supports frame rate conversion provides the graphic controller the flexibility of The CH7035B’s 24-bit parallel bus accepts a wide range video timing output of input data formats from the graphic controller. The - Advanced scaling engine to upsize/downsize input built-in video port supports 8/12/16/18/24-bit data resolution for DVI display up to 1080p interface as well as 80/86 MPU interface. The video - - Supports 8/12/16/18/24-bit parallel interface input for either RGB format (RGB-565, RGB-666 or RGB-888 and etc.) or YCr Cb format (ITU-R 656 or ITU-R 601). 80/86 MPU interface and DE only mode are also supported. Wide range of input resolutions support for up to format conversion module is capable of translating digital RGB-565, RGB-666, RGB-888 or YCr Cb (ITU-R 656, ITU-R 601) signal to the DVI signal, bining with the audio stream. The device’s video capture block supports input display resolution for up to 1366x768 which can be either interlaced or non-interlaced timing. - - - 1366x768 (i.e. 640x480, 720x480, 720x576, 800x600, 1024x600, 1024x768, 1280x800, and etc.) Image display rotation support at 90/180/270 degree or flipped in...