• Part: AP68255Q
  • Description: NON-SYNCHRONOUS BUCK CONVERTER
  • Manufacturer: Diodes Incorporated
  • Size: 1.08 MB
Download AP68255Q Datasheet PDF
Diodes Incorporated
AP68255Q
AP68255Q is NON-SYNCHRONOUS BUCK CONVERTER manufactured by Diodes Incorporated.
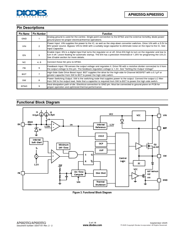
Description Pin Assignments The AP68255Q/AP68355Q is an internally pensated, nonsynchronous DC-DC buck converter with a default frequency of 300k Hz. The device fully integrates a 500mΩ high-side power MOSFET power MOSFET to provide highly efficient step-down DC-DC conversion. The AP68255Q/AP68355Q device is easily used by minimizing the external ponent count due to its adoption of Constant On-Time (COT) control to achieve fast transient response, easy loop stabilization, and low output voltage ripple. GND VIN EN EPAD SW BST NC The AP68255Q/AP68355Q design is optimized for Electromagnetic Interference (EMI) reduction. The device has a proprietary gate driver scheme to resist switching node ringing without sacrificing MOSFET turn-on and turn-off times, which reduces high frequency radiated EMI noise caused by MOSFET switching. SO-8EP The AP68255Q/AP68355Q is available in the standard Green SO-8EP package. Features - Qualified for Automotive Applications - AEC-Q100 Qualified with the Following Results - Device Temperature Grade 1: -40°C to +125°C TA - Device HBM ESD Classification Level 1C - Device CDM ESD Classification Level C5 - Functional Safety-Capable ISO26262 - Documentation Available to Aid Functional Safety System Design - VIN 5.5V to 80V - 1.2V ±1.5% VREF - Continuous Output Current - AP68255Q: 2.5A - AP68355Q: 3.5A - VOUT Adjustable from 1.2V to 50V - Overcurrent Protection (OCP) - Thermal Protection - Totally Lead-Free & Fully Ro HS pliant (Notes 1 & 2) - Halogen and Antimony Free. “Green” Device (Note 3) - The AP68255Q/AP68355Q are suitable for automotive applications requiring specific change control; these parts are AEC-Q100 qualified, PPAP capable, and manufactured in IATF 16949 certified facilities. https://.diodes./quality/product-definitions/ Applications...