1SS181 Overview
of changes First issue .goodark. 4 DDoocc.N.Noo.6.64433114411 1SS181 GOOD-ARK Electronics Disclaimers These materials are intended as a reference to assist our customers in the selection of the Suzhou Good-Ark product best suited to the customer’s application; they do not convey any license under any intellectual property rights, or any other rights, belonging to Suzhou Good-Ark Electronics Co., Ltd.or a third party.
1SS181 Key Features
- 4.0nS; Fast Switching Device (TRR <4.0nS)
- 150mW; Power Dissipation of 150mW
- High Stability and High Reliability
- Low reverse leakage
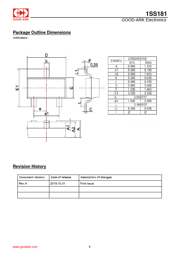
- SOT-23,Small Outline Plastic Package
- Epoxy UL: 94V-0
- Mounting Position: Any



