• Part: HL7019
  • Description: 3A I2C Controlled USB/Adaptor Li-ion Battery Charger
  • Manufacturer: HALO
  • Size: 155.48 KB
Download HL7019 Datasheet PDF
HL7019 page 2
Page 2
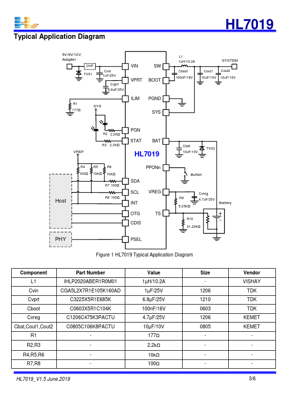
HL7019 page 3
Page 3

Datasheet Summary

3A I2C Controlled USB/Adaptor Li-ion Battery Charger with Power Path and 2.1A OTG Boost Features - 20V Input Voltage Tolerance, 3.9V- 14V Operating Voltage Range - High Efficiency 3A Switch Mode Charger - 92% Charge Efficiency at 2A - USB-pliant/Adapter Charger - USB1.0/2.0/3.0 pliant Input Current Limit - 0.1-3A Programmable Input Current Limit - Autonomous Preconditioning/CC/CV Charge Control, Termination and Recharge - 1.5MHz Synchronous PWM Converter for Small 1uH Inductor - USB OTG Boost Programmable Vout: 3.5V~ 5.5V or 9V - Max Iout: 2.5A@3.5V-5.5V - 90% Efficiency at 1.5A - Hiccup Mode Over-Current Protection for Reliable Capacitive Load Start-up - Power Path Management -...