• Part: BH45B1225
  • Description: 24-Bit A/D Peripheral
  • Manufacturer: Holtek Semiconductor
  • Size: 709.48 KB
Download BH45B1225 Datasheet PDF
Holtek Semiconductor
BH45B1225
BH45B1225 is 24-Bit A/D Peripheral manufactured by Holtek Semiconductor.
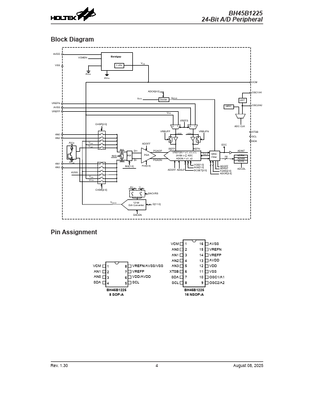
Features - Wide operating voltage: 2.4V~5.5V - Internal Programmable Gain Amplifier - Internal I2C interface for external muniation - 5Hz~1.6k Hz ADC output data rate - Internal temperature sensor for pensation - Package Types: 8-pin SOP/16-pin NSOP Applications - Instrumentation - Health Monitoring Equipment - Precision Sensing General Description The BH45B1225 is a multi-channel 24-bit Delta Sigma A/D converter which includes a programmable gain amplifier and is designed for applications that interface differentially to analog signals. The device has the benefits of low noise and high accuracy and municates with external hardware using an internal I2C bus. This highly functionally integrated Delta Sigma analog to digital converter with its high accuracy and low power specifications offers a superior solution for interfacing to external sensors especially for battery powered applications. Rev. 1.30 August 08, 2025 BH45B1225 24-Bit A/D Peripheral Block Diagram AVDD VSS VREFN AVSS VREFP AN0 AN2 AN1 AN3 VCMEN Bandgap 1.25V AVSS AVSS AVDD AVSS AVSS CHSP[2:0] ADCK[4:0] f SYS Divider f MCLK VREFS VRBUFP...