Datasheet4U Logo Datasheet4U.com
Inchange Semiconductor logo

STB55NF06

Manufacturer: Inchange Semiconductor

STB55NF06 datasheet by Inchange Semiconductor.

STB55NF06 datasheet preview

STB55NF06 Datasheet Details

Part number STB55NF06
Datasheet STB55NF06-INCHANGE.pdf
File Size 199.64 KB
Manufacturer Inchange Semiconductor
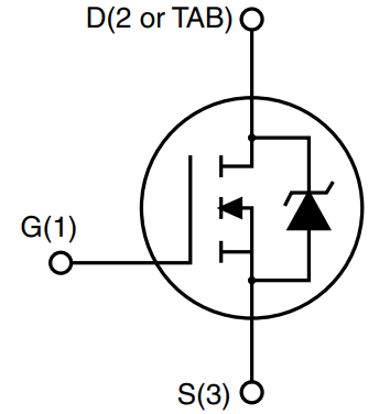
Description N-Channel MOSFET
STB55NF06 page 2

STB55NF06 Overview

Isc N-Channel MOSFET Transistor.

STB55NF06 Key Features

  • With To-263(D2PAK) package -Excellent switching performance -100% avalanche tested -Minimum Lot-to-Lot variations for ro

STB55NF06 from other manufacturers

View STB55NF06 datasheet index

Brand Logo Part Number Description Other Manufacturers
ST Microelectronics Logo STB55NF06 N-CHANNEL POWER MOSFET ST Microelectronics
ST Microelectronics Logo STB55NF06L N-CHANNEL POWER MOSFET ST Microelectronics
ST Microelectronics Logo STB55NF06L-1 N-CHANNEL POWER MOSFET ST Microelectronics
Inchange Semiconductor logo - Manufacturer

More Datasheets from Inchange Semiconductor

View all Inchange Semiconductor datasheets

Part Number Description
STB57N65M5 N-Channel MOSFET
STB100N10F7 N-Channel MOSFET
STB100N6F7-2 N-Channel MOSFET
STB11N65M5 N-Channel MOSFET
STB11N65M5-2 N-Channel MOSFET
STB11NM60 N-Channel MOSFET
STB11NM60-1 N-Channel MOSFET
STB11NM60FD N-Channel MOSFET
STB11NM60N N-Channel MOSFET
STB11NM60N-1 N-Channel MOSFET

STB55NF06 Distributor

Datasheet4U Logo
Since 2006. D4U Semicon. About Datasheet4U Contact Us Privacy Policy Purchase of parts