Datasheet4U Logo Datasheet4U.com
MLS Microelectronics logo

BCX69 Datasheet

Manufacturer: MLS Microelectronics
BCX69 datasheet preview

Datasheet Details

Part number BCX69
Datasheet BCX69-MLSM.pdf
File Size 589.90 KB
Manufacturer MLS Microelectronics
Description PNP Transistor
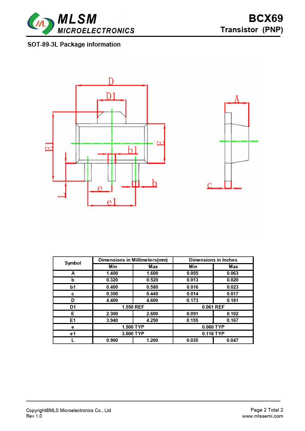
BCX69 page 2

BCX69 Overview

Features For general AF applications High collector current High current gain Low collector-emitter saturation voltage plementary type:.

BCX69 Key Features

  • For general AF

BCX69 from other manufacturers

See all manufacturers

Brand Logo Part Number Description Other Manufacturers
Zetex Semiconductors Logo BCX69 PNP SILICON PLANAR MEDIUM POWER TRANSISTOR Zetex Semiconductors
Siemens Semiconductor Group Logo BCX69 PNP Silicon AF Transistors Siemens Semiconductor Group
Infineon Technologies AG Logo BCX69 PNP Silicon AF Transistors Infineon Technologies AG
GME Logo BCX69 PNP Silicon AF Transistors GME
Motorola Logo BCX69 Transistor Motorola
MLS Microelectronics logo - Manufacturer

More Datasheets from MLS Microelectronics

See all MLS Microelectronics datasheets

Part Number Description
BCX69-10 PNP Transistor
BCX69-16 PNP Transistor
BCX69-25 PNP Transistor
BCX19 NPN Transistor
BCX70J NPN Transistor
BCX70K NPN Transistor

BCX69 Distributor

Datasheet4U Logo
Since 2006. D4U Semicon. About Datasheet4U Contact Us Privacy Policy Purchase of parts