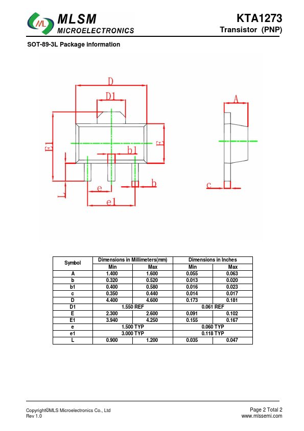
KTA1273 Overview
Features High Current Low Voltage plementary to KTC3205 KTA1273 Transistor (PNP) 1273 SOT-89-3L top view Schematic diagram B CE Marking and pin assignment Maximum Ratings (Ta=25℃ unless otherwise noted) Symbol VCBO VCEO VEBO Ic Pc RθJA TJ , TSTG Parameter.
KTA1273 Key Features
- High Current
- Low Voltage
- plementary to KTC3205
- 30 -30 -5 -2 500 250 -55~+150
- 30 -30 -5 --100
- 120 48
- 100 -100 320 -2 -1


