• Part: CL1
  • Description: 90V 20 mA Simple Temperature-Compensated Constant-Current LED Driver IC
  • Manufacturer: Microchip Technology
  • Size: 558.33 KB
Download CL1 Datasheet PDF
Microchip Technology
CL1
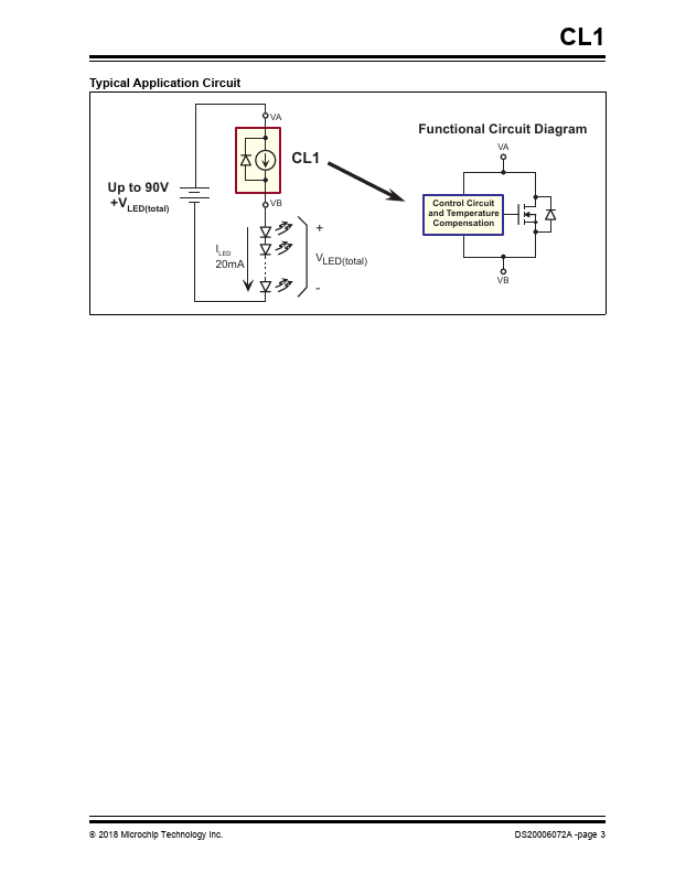
CL1 is 90V 20 mA Simple Temperature-Compensated Constant-Current LED Driver IC manufactured by Microchip Technology.
Features - 5V-to-90V Operating Range (VA- B) - 20 m A ±5% at 45V (VA- B) - - 8.5 µA/°C Typical Temperature Coefficient - No External ponents (Two-Terminal Device) - Can be Paralleled for Higher Current Applications - LED Driver - Industrial Lamp Indicators - Signage - Accent Lighting - Automotive - Constant-Current Source - Constant-Current Sink General Description The CL1 is a high-voltage temperature-pensated, constant-current source. The device is trimmed to provide a constant current of 20 m A ±5% at an input voltage of 45V. No external ponents are required. This device can be used as a two-terminal constant-current source or constant-current sink. A typical application for the CL1 is to drive LEDs with a constant current of 20 m A. Multiple CL1s can also be used in parallel to provide higher currents, such as 40 m A, 60 m A and 80 m A. The device is available in SOT-89 packages. Package Type See Table 2-1 for pin information.  2018 Microchip Technology Inc. 3-lead SOT-89 (Top view) NC VA VB DS20006072A -page 1 Functional Block Diagram Functional Circuit Diagram Equivalent Block Diagram Control Circuit and Temperature pensation 20m A 5% DS20006072A -page 2  2018 Microchip Technology Inc. Typical Application Circuit Up to 90V + VLED(total) ILED 20m...