Datasheet4U Logo Datasheet4U.com
Motorola Semiconductor (now NXP Semiconductors) logo

MC2833P

Manufacturer: Motorola Semiconductor (now NXP Semiconductors)

MC2833P datasheet by Motorola Semiconductor (now NXP Semiconductors).

This datasheet includes multiple variants, all published together in a single manufacturer document.

MC2833P datasheet preview

MC2833P Datasheet Details

Part number MC2833P
Datasheet MC2833P MC2833 Datasheet (PDF)
File Size 305.16 KB
Manufacturer Motorola Semiconductor (now NXP Semiconductors)
Description Low Power FM Transmitter System
MC2833P page 2 MC2833P page 3

MC2833P Overview

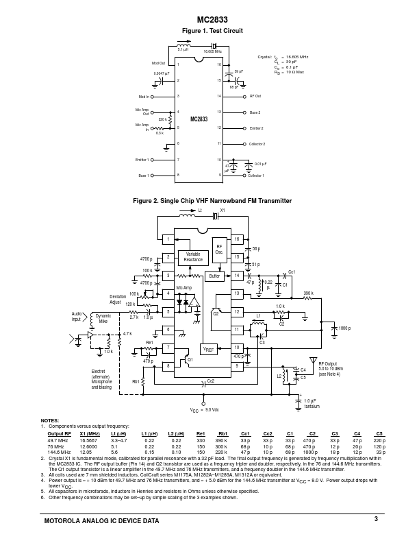
Order this document by MC2833/D MC2833 Low Power FM Transmitter System MC2833 is a one chip FM transmitter subsystem designed for cordless telephone and FM munication equipment. It includes a microphone amplifier, voltage controlled oscillator and two auxiliary transistors. Wide Range of Operating Supply Voltage (2.8 9.0 V) Low Drain Current (ICC = 2.9 mA Typ) Low Number of External Parts Required 30 dBm Power...

Motorola Semiconductor (now NXP Semiconductors) logo - Manufacturer

More Datasheets from Motorola Semiconductor (now NXP Semiconductors)

View all Motorola Semiconductor (now NXP Semiconductors) datasheets

Part Number Description
MC2833 Low Power FM Transmitter System
MC2833D Low Power FM Transmitter System
MC2830 Voice Activated Switch
MC2875 MC2875
MC2125 AND J-K F-F
MC2162 (MC2000 Series) MTTL II Integrated Circuits
MC2661A Enhanced Programmable Communications Interface
MC2661B Enhanced Programmable Communications Interface
MC2661C Enhanced Programmable Communications Interface
MC2672 Programmable Video Timing Controller

MC2833P Distributor

Datasheet4U Logo
Since 2006. D4U Semicon. About Datasheet4U Contact Us Privacy Policy Purchase of parts