• Part: MRMS541E
  • Description: Magnetic Sensor
  • Manufacturer: Murata
  • Size: 728.20 KB
Download MRMS541E Datasheet PDF
Murata
MRMS541E
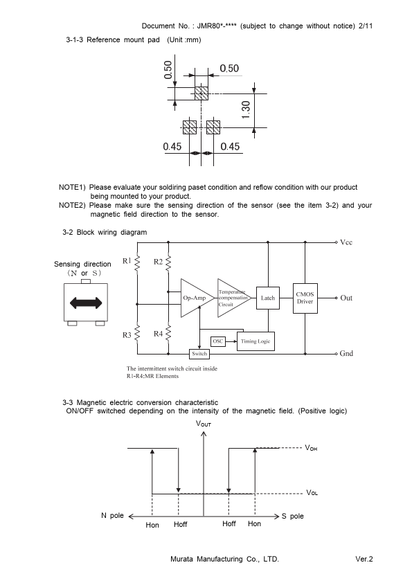
description 2-2 Murata part number Magnetic Sensor MRMS541E 3. Dimensions and schematics 3-1 Dimensions 3-1-1 Package outline drawing (Unit :mm) ② 「」9 1 ① ③ ① :Vcc ② :Gnd ③ :Out 3-1-2 Marking example (E.g.) 「」9 1 ↓↓↓ ⅠⅡⅢ Ⅰ Control code...One alphabetic character Ⅱ Manufactured year...The last digit of the year Ⅲ Manufactured month.. Jan to Sep : 1 to 9 Oct to Dec : X, Y, Z Murata Manufacturing Co., LTD. Document No.︓JMR80- -- - - - (subject to change without notice) 2/11 3-1-3 Reference mount pad (Unit :mm) NOTE1) Please evaluate your soldiring paset condition and reflow condition with our product being mounted to your product. NOTE2) Please make sure the sensing direction of the sensor (see the item 3-2) and your magnetic field direction to the sensor. 3-2 Block wiring diagram Sensing direction (N or S) 3-3 Magnetic electric conversion characteristic ON/OFF switched depending on the intensity of the magnetic field. (Positive logic) VOUT N pole Hon Hoff Hoff...