• Part: BM3GQ1A2MUV-LBZ
  • Description: Quasi-resonant AC/DC Converter
  • Manufacturer: ROHM
  • Size: 1.02 MB
Download BM3GQ1A2MUV-LBZ Datasheet PDF
ROHM
BM3GQ1A2MUV-LBZ
BM3GQ1A2MUV-LBZ is Quasi-resonant AC/DC Converter manufactured by ROHM.
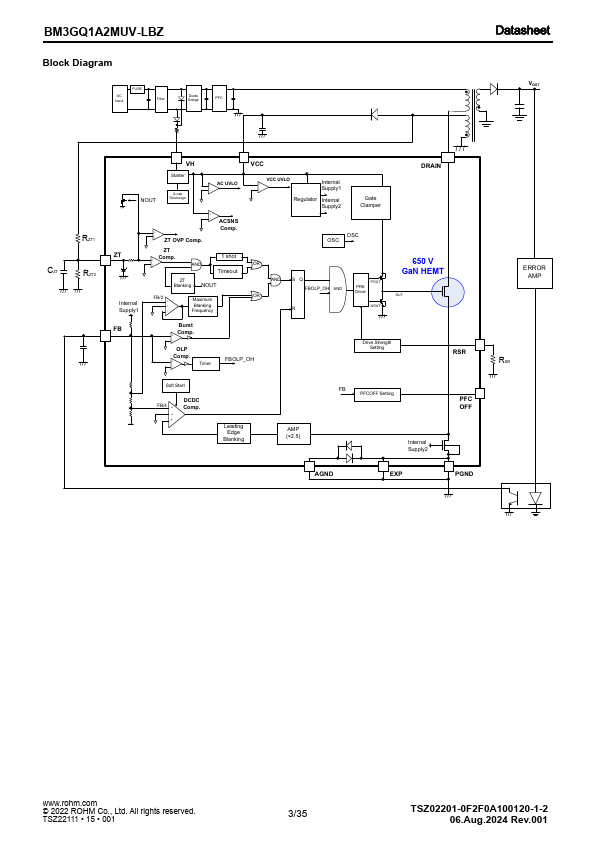
Description This product is a rank product for the industrial equipment market. This is the best product for use in these applications. BM3GQ1A2MUV-LBZ is a quasi-resonant AC/DC converter that provides an optimum system for all products which has an electrical outlet. Quasi-resonant operation enables soft switching and helps to keep the EMI low. It can be designed easily because 650 V Ga N HEMT and current detection resistor are integrated. The burst operation reduces power consumption at light load. BM3GQ1A2MUV-LBZ includes various protection functions, such as soft start function, burst operation function, over current protection per cycle, over voltage protection, overload protection. Key Specifications - Operating Power Supply Voltage Range: VCC: 7.4 V to 55.0 V DRAIN: 650 V (Max) - Normal Operating Current: 800 µA (Typ) - Burst Mode Operating Current: 500 µA (Typ) - Maximum Operating Frequency: 120 k Hz (Typ) - Over Current Detection Current: 6.000 A (Typ) - Ga N HEMT ON Resistance: 150 mΩ (Typ) - Operating Temperature: -40 °C to +125 °C Package VQFN41V8080K W (Typ) x D (Typ) x H (Max) 8.0 mm x 8.0 mm x 1.0 mm pitch 0.5 mm Features - Built-in 650 V Ga N HEMT - Quasi-resonant Type (Low EMI) - Frequency Reduction Function - Burst Operation at Light Load - VCC UVLO (Under Voltage Lock Out) - Over Current Protection Circuit per Cycle - Soft Start Function - ZT Pin Trigger Mask Function - ZT OVP (Over Voltage Protection) - AC UVLO (Under Voltage Lock Out) - X-capacitor Discharge Function Applications - Industrial Equipment, AC Adaptor, Household Appliances etc. Typical Application Circuit FUSE + DRAIN +...