• Part: RT7753GCV
  • Description: PWM Controller
  • Manufacturer: Richtek
  • Size: 740.71 KB
Download RT7753GCV Datasheet PDF
Richtek
RT7753GCV
RT7753GCV is PWM Controller manufactured by Richtek.
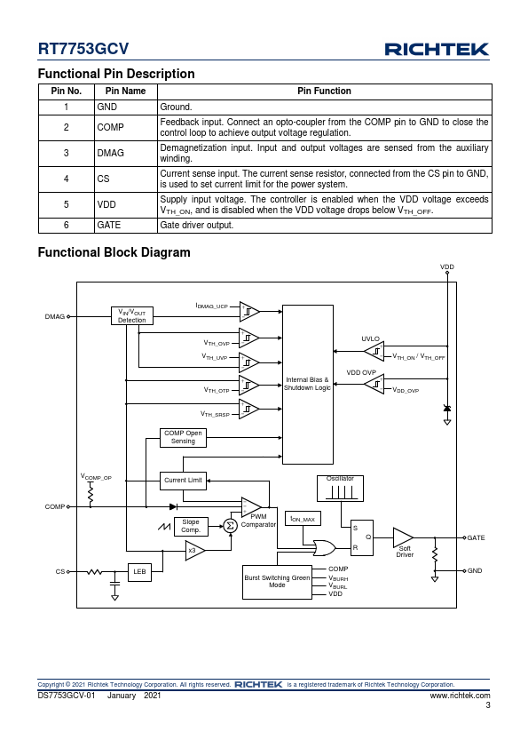
Description The RT7753GCV series is specifically designed to work with controllers, such as RT7202, to provide a total solution for the USB Power Delivery (USB PD) or a programmable power adapter. This RT7753GCV not only provides a control scheme of high power efficiency, but also gives a very low standby power control below 50m W when under the 5V standby condition. The RT7753GCV is such a special design to achieve a wide-range of output voltage by utilizing several innovations, including (1) By using the DMAG pin, the RT7753GCV senses the output voltage to adjust the loop gain for system stability, to adjust the threshold voltage of the output over-voltage protection, to protect external devices, and to adjust the current limit to meet Limited Power Source (LPS) safety requirements; (2) The RT7753GCV is also equipped with prehensive protection features , including Bulk-Capacitor brown-in /brown-out protection, VDD over-voltage protection (VDD OVP), output over-voltage/under-voltage protection (Output OVP/UVP), secondary rectifier short-circuit protection (SRSP), and external over-temperature protection (External OTP); (3) For constant output power regulation, a resistor connected to CS pin can be used to achieve an accurate line pensation across the universal input voltage range; and (4) The RT7753GCV also provides various features to protect against any failures occurring at the secondary-side ponent, such as the RT7202 or a shunt regulator. In applications, the RT7753GCV is suggested to use with a secondary controller RT7202 to realize a robust and safe design so as to prevent all potential fault conditions due to misconnection of various devices, cables, plugs or receptacles. Features - Optimized for Adaptive Output Power - Wide VDD Range : 9V to 42V - Adaptive Output Over-Voltage Protection - Adaptive Over-Current Protection - Adaptive Loop Gain Control for Loop Stability - High Efficiency - Green Mode Operation at Light Load and No Load - prehensive...