• Part: RT8810
  • Description: Dual-Phase Synchronous Buck PWM Controller
  • Manufacturer: Richtek
  • Size: 416.64 KB
Download RT8810 Datasheet PDF
Richtek
RT8810
RT8810 is manufactured by Richtek.
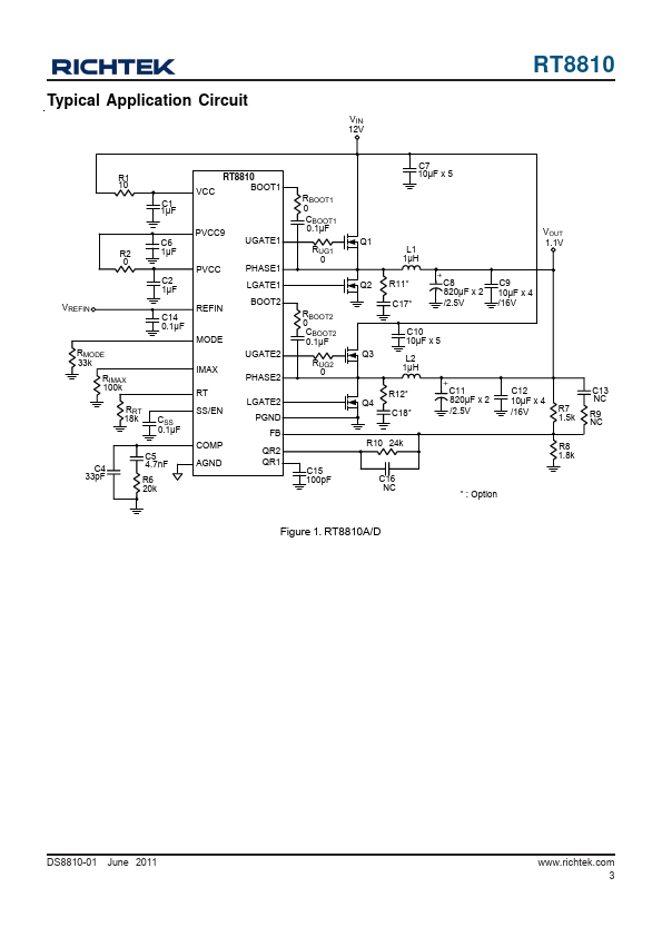
Dual-Phase Synchronous Buck PWM Controller General Description The RT8810 is a dual phase synchronous buck controller which can provide users with a pact, high efficient, well protected and cost effective solution. The RT8810's integrated high driving capability MOSFET drivers makes it more attractive for high current application. The built-in bootstrap diode simplifies the circuit design and reduces external part count and PCB space. For output voltage control, the RT8810 can precisely regulate feedback voltage according to the internal reference voltage 0.6V or external reference voltage from 0.4V to 2.5V. The MODE pin programs single phase or dual phase operation, making the...