2SC4505 Overview
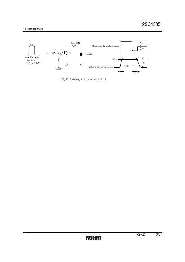
Transistors Power Transistor (400V, 0.1A) 2SC4505 2SC4505 zFeatures 1) High breakdown voltage. (BVCEO = 400V) 2) Low saturation voltage, typically VCE (sat)= 0.05V at IC / IB = 10mA / 1mA. 3) High switching speed, typically tf = 1.7µs at Ic =100mA.
