• Part: BA029LBSG
  • Description: Super-mini package regulator IC
  • Manufacturer: ROHM
  • Size: 110.53 KB
Download BA029LBSG Datasheet PDF
BA029LBSG page 2
Page 2
BA029LBSG page 3
Page 3

Datasheet Summary

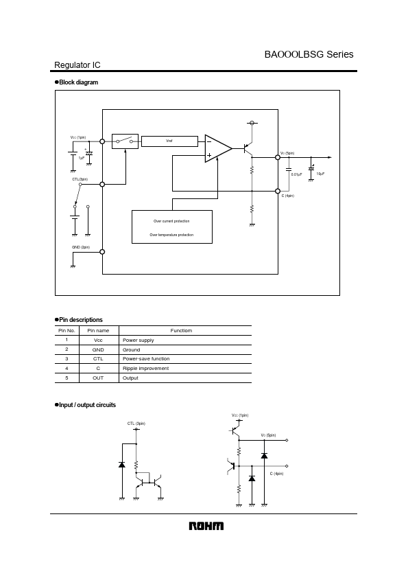
Regulator IC BAΟΟΟLBSG Series Super-mini package regulator IC BAΟΟΟLBSG series The BAΟΟΟLBSG (the “ΟΟΟ” indicates the output voltage value) is a low-saturation series regulator IC employing the super-mini mold package of the SMP5 (2916 package). Equipped with a power-saving function that reduces current consumption, it also offers outstanding ripple rejection and characteristics, and is ideal for cellular telephones and other. !Applications Residential / industrial device power supplies for cellular telephone such as the CDMA and GSM, and for other portable. !Features 1) Internal output transistor (IO=150mA) 2) Internal temperature protection circuit 3) Power-saving function enables...