Datasheet4U Logo Datasheet4U.com
SANYO (now Panasonic) logo

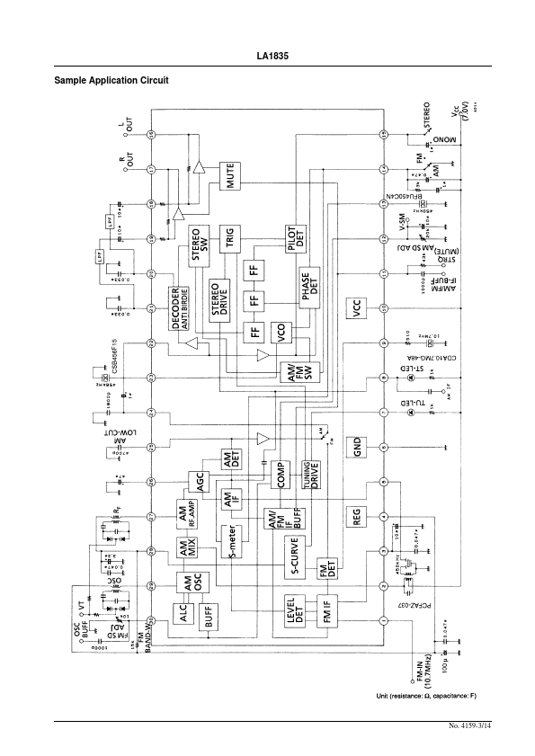
LA1835

Manufacturer: SANYO (now Panasonic)

LA1835 datasheet by SANYO (now Panasonic).

LA1835 datasheet preview

LA1835 Datasheet Details

Part number LA1835
Datasheet LA1835-Sanyo.pdf
File Size 464.72 KB
Manufacturer SANYO (now Panasonic)
Description Home Stereo Single-Chip Tuner IC
LA1835 page 2 LA1835 page 3

LA1835 Overview

EN4159B Monolithic Linear IC LA1835 Home Stereo Single-Chip Tuner IC with Electronic Tuning Support Overview The LA1835 is an AM, FM IF and MPX single-chip tuner IC that supports electronic tuning. It was developed specifically for use in home stereo products and is optimal for products with auto-seek systems, since it bines SD and IF counting in its auto-seek implementation. Furthermore, since the FM detector and...

LA1835 Key Features

  • Significant reduction in the number of manufacturing adjustment steps FM detector: Adjustment free (using a ceramic disc
  • Tuning indicator output provided. (This pin can also be used as a narrow band stop signal and as a muting drive output.)
  • Adjustable FM stop sensitivity and bandwidth
  • Built-in AM local oscillator buffer
  • Support for AM low band cut control
  • Adjustable AM stop sensitivity
SANYO (now Panasonic) logo - Manufacturer

More Datasheets from SANYO (now Panasonic)

View all SANYO (now Panasonic) datasheets

Part Number Description
LA1831 Singie Chip Music CenterlC
LA1831M Singie Chip Music CenterlC
LA1832 Radio Cassette Recorder/Music Center-Use Single-Chip IC
LA1832M Radio Cassette Recorder/Music Center-Use Single-Chip IC
LA1836 Single-Chip Home Stereo Electronic Tuning IC
LA1836M Single-Chip Home Stereo Electronic Tuning IC
LA1837 Monolithic Linear IC
LA1800 FM / AM Single-Chip Radio
LA1805 AM / FM-IF / MPX Tuner System
LA1810 AM/FM/MPX Tuner System

LA1835 Distributor

Datasheet4U Logo
Since 2006. D4U Semicon. About Datasheet4U Contact Us Privacy Policy Purchase of parts