Datasheet4U Logo Datasheet4U.com
SANYO (now Panasonic) logo

LB1211

Manufacturer: SANYO (now Panasonic)

LB1211 datasheet by SANYO (now Panasonic).

LB1211 datasheet preview

LB1211 Datasheet Details

Part number LB1211
Datasheet LB1211_SanyoSemiconDevice.pdf
File Size 235.23 KB
Manufacturer SANYO (now Panasonic)
Description Generral-Purpose Transistor Array
LB1211 page 2 LB1211 page 3

LB1211 Overview

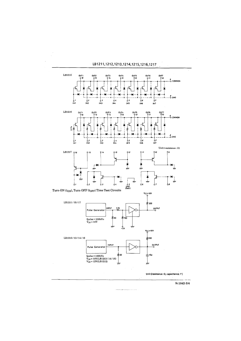
Ordering number:EN 1042F Monolithic Digital IC LB1211 Series General-Purpose Transistor Array The LB1211 series are general-purpose transistor arrays containing 7 channels (5 channels : They are especially suited for driving LEDs, lamps, small-sized relays, etc. The transistors can be standardized.

LB1211 Key Features

  • mon-emitter 7 channels
  • mon-collector 7 channels
  • Independent 5 channels
  • Built-in base current limiting resistors
  • Built-in Zener diodes for level shift
  • Capable of being direct driven with TTL, CMOS, PMOS, etc
  • Wide operating voltage and temperature ranges
SANYO (now Panasonic) logo - Manufacturer

More Datasheets from SANYO (now Panasonic)

View all SANYO (now Panasonic) datasheets

Part Number Description
LB1212 Generral-Purpose Transistor Array
LB1213 Generral-Purpose Transistor Array
LB1213M General-Purpose Transistor Array
LB1214 Generral-Purpose Transistor Array
LB1215 Generral-Purpose Transistor Array
LB1216 Generral-Purpose Transistor Array
LB1217 Generral-Purpose Transistor Array
LB1205 High-Voltage / High- Current Darlington Driver
LB1231 High-Voltage / High- Current Darlington Transistor Array
LB1232 High-Voltage / High- Current Darlington Transistor Array

LB1211 Distributor

Datasheet4U Logo
Since 2006. D4U Semicon. About Datasheet4U Contact Us Privacy Policy Purchase of parts