• Part: SQ38343
  • Description: Energy Saving Off-line AC/DC Converter
  • Manufacturer: Silergy
  • Size: 1.29 MB
Download SQ38343 Datasheet PDF
Silergy
SQ38343
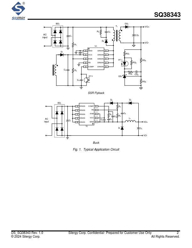
SQ38343 is Energy Saving Off-line AC/DC Converter manufactured by Silergy.
Description The SQ38343 is a peak current mode flyback/buck converter that integrates a controller with an 800V MOSFET. It features pseudo fixed frequency control which can avoid sub-harmonic oscillation at CCM and duty>50%. Frequency fold back control is used to achieve high efficiency at medium and light load conditions. The device automatically enters burst mode during light or no-load conditions. When used in flyback topology, the device can be configured to use either PSR (Primary Side Regulation) or SSR (Secondary Side Regulation) mode. The SQ38343 offers a wide VCC operating range from 4.5V to 25.5V, which can support buck converter configuration for output voltages as low as 5V. Quick start-up is enabled by using an integrated HV (High Voltage) start-up circuit. The SQ38343 provides prehensive protections including VCC OVP (Overvoltage Protection), OLP (Overload Protection), OTP (Over temperature Protection) and input/output OVP using the ENB pin for reliable operation. The SQ38343 is available with pact SSOP10 package. Energy Saving Off-line AC/DC Converter With Integrated 800V MOSFET Features - 800V Integrated Power MOSFET - Pseudo Fixed Frequency - Nominal Switching Frequency: 120k Hz - Frequency Fold Back and Burst Mode Control - FSW Modulation to Reduce EMI Noise - Supports Flyback and Buck Topologies - PSR/SSR Optional for Flyback Topology - HV Start Up from DRAIN - Peak Current Limit: 590m A - Wide VCC Operating Range: 4.5V~25.5V - VCC OVP, OLP, OTP, Input OVP (through ENB pin) - Internal Soft Start Process - pact Package: SSOP10 Applications - Auxiliary Power Supplies AC input BD1 D1 C2 T1 C1 R1 R6 C6 D2 U1 GND C3 DRAIN DRAIN R3 DRAIN DRAIN P...