• Part: SY6281
  • Description: 2A Low Loss Power Distribution Switch
  • Manufacturer: Silergy
  • Size: 742.54 KB
Download SY6281 Datasheet PDF
Silergy
SY6281
SY6281 is 2A Low Loss Power Distribution Switch manufactured by Silergy.
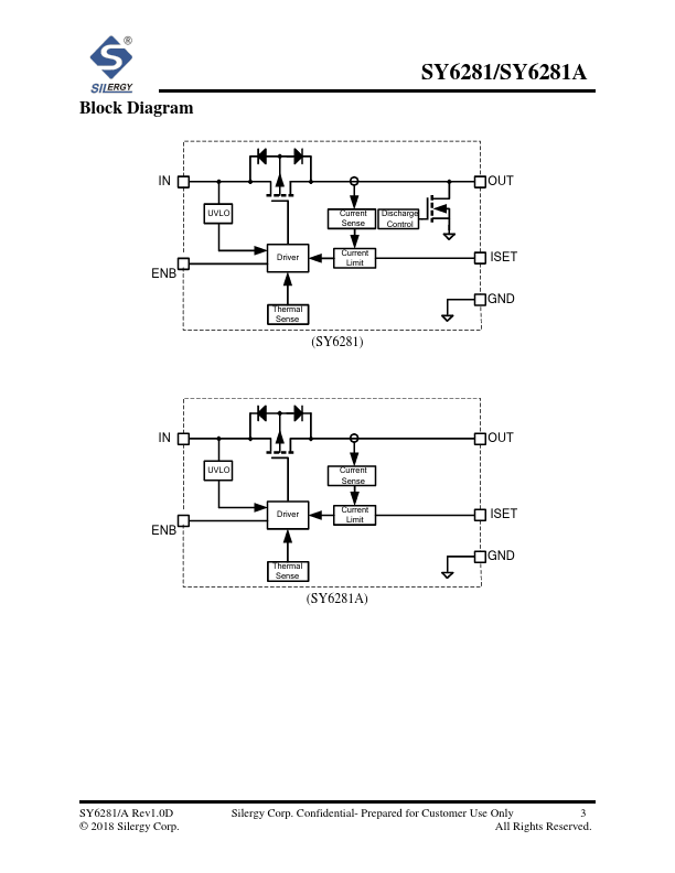
SY6281/SY6281A 5.5V, 2A Low Loss Power Distribution Switch General Description SY6281/ SY6281A is ultra-low RDS(ON) switch with programmable current limit to protect the power source from over current and short circuit conditions. It incorporates over temperature protection and reverse blocking functions. SY6281 automatically discharges the output capacitors during shutdown. Ordering Information - (- - )- Temperature Code Package Code Optional Spec Code Ordering Number Package type Note SY6281AAC SOT23-5 ---- SY6281AAAC SOT23-5 ---- Features - Input voltage: 2.4V to 5.5V - 2A load current capability - Programmable current limit - Enable polarity: active low - Over temperature protection - Reverse blocking (no body diode) - OUT can be forced higher than IN at shutdown - Output discharge function - SY6281: Auto output discharge function - SY6281A: No output discharge function - pact SOT23-5 package minimizes the board space Applications - USB 3G Datacard - USB...