Datasheet4U Logo Datasheet4U.com

SLM8834 - 1.5A Thermoelectric Cooler Controller

General Description

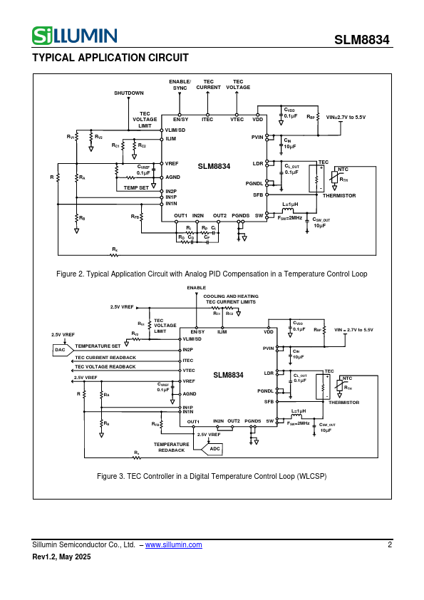
The SLM8834 is a monolithic TEC controller with an integrated TEC controller.

It has a linear power stage, a pulse-width modulation (PWM) power stage, and two zero-drift, rail-to-rail operational amplifiers.

Key Features

  • Integrated super low RDSON MOSFETs for the TEC controller.
  • High efficiency single inductor architecture.
  • TEC voltage and current operation monitoring.
  • No external sense resistor required.
  • Independent TEC heating and cooling current limit settings.
  • Programmable maximum TEC voltage.
  • 2.0 MHz PWM driver switching frequency.
  • External synchronization.
  • Two integrated, zero drift, rail-to-rail chopper amplifiers.

📥 Download Datasheet

Datasheet Details

Part number SLM8834
Manufacturer Sillumin
File Size 936.42 KB
Description 1.5A Thermoelectric Cooler Controller
Datasheet download datasheet SLM8834 Datasheet

Full PDF Text Transcription (Reference)

The following content is an automatically extracted verbatim text from the original manufacturer datasheet and is provided for reference purposes only.

View original datasheet text
SLM8834 Ultra-Compact, 1.5A Thermoelectric Cooler (TEC) Controller GENERAL DESCRIPTION The SLM8834 is a monolithic TEC controller with an integrated TEC controller. It has a linear power stage, a pulse-width modulation (PWM) power stage, and two zero-drift, rail-to-rail operational amplifiers. The linear controller works with the PWM driver to control the internal power MOSFETs in an H-bridge configuration. By measuring the thermal sensor feedback voltage and using the integrated operational amplifiers as a proportional integral differential (PID) compensator to condition the signal, the SLM8834 drives current through a TEC to settle the temperature of a laser diode or a passive component attached to the TEC module to the programmed target temperature.