• Part: SiLM8255-AQ
  • Description: Dual Channel Isolated Gate Driver
  • Manufacturer: Sillumin
  • Size: 647.39 KB
Download SiLM8255-AQ Datasheet PDF
Sillumin
SiLM8255-AQ
SiLM8255-AQ is Dual Channel Isolated Gate Driver manufactured by Sillumin.
- Part of the SiLM8253-AQ comparator family.
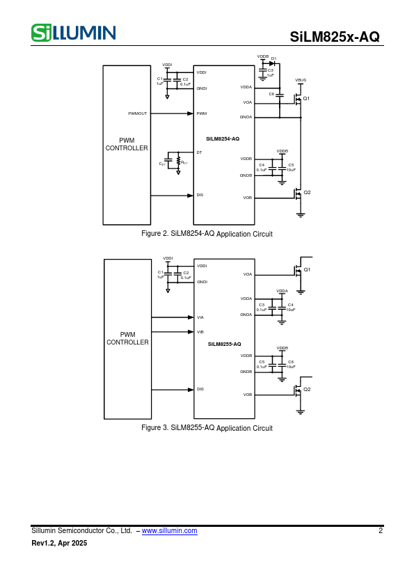
DESCRIPTION FEATURE The Si LM825x-AQ isolated driver family is an isolated dual channel gate driver with different configurations. The Si LM8253/4-AQ are configured as high-side/lowside drivers, while the Si LM8255-AQ are configured as dual drivers. The peak source output current is 4.0A and the peak sink output current is 7.0A. Programmable dead time (DT) feature is available in Si LM8253/4-AQ. Pulling high the DIS pin shuts down both outputs simultaneously, and allows for normal operation when the DIS pin is open or pulled low. As a fail-safe measure, primary-side logic failures force both outputs low. The VDDA and VDDB supply voltage are up to 40 V. A wide input VDDI range from 3 V to 18 V makes the driver suitable for interfacing with both analog and digital controllers. All the supply voltage pins have under voltage lock-out (UVLO) protection. The Si LM825x-AQ has 5k VRMS isolation in SOP16W/SOP14W package and 3k VRMS isolation in SOP16 package per UL1577. High CMTI, low propagation delay, small size and flexible configuration make the Si LM825x-AQ family is suitable for a wide range of isolated MOSFET/IGBT and Si C or Ga N FET gate drive applications. - AEC-Q100 qualified for automotive application - Temperature grade 1: - 40°C to +125°C, TA - 4.0A peak source current - 7.0A peak sink current - 40ns (Typ.) propagation delay - 18ns (Max.) pulse width distortion - 18ns (Max.) delay matching - 100k V/us (Min.) mon mode transient immunity (CMTI) - Wide input voltage: 3V to 18V - Up to 40V driver output voltage - 5V reverse polarity voltage handling capability on input stage - 1500V functional isolation between two drivers - Safety certifications: - 5k VRMS isolation for 1 minute per UL 1577 with SOP16W/SOP14W package - 3k VRMS isolation for 1 minute per UL 1577 with SOP16 package - CQC certification per GB4943.1-2022 - TUV certification per IEC 61010-1 and IEC 62368-1 - DIN VDE 0884-17: 2021-10 APPLICATION - AC/DC or DC/DC power supplies in server, tele and industry -...