Datasheet4U Logo Datasheet4U.com

XC6223 - 300mA High Speed LDO Voltage Regulator

Description

The XC6223 series is a high speed LDO regulator that

Features

  • Maximum Output Current : 300mA Input Voltage Range : 1.6V ~ 5.5V Output Voltages : 2.0V ~ 4.0V (Accuracy ±1%) 1.2 ~ 1.95V (Accuracy ±20mV) Dropout Voltage Low Power Consumption 0.05V increments : 200mV@IOUT=300mA (VOUT=3.0V) : 100μA Stand-by Current High Ripple Rejection : 0.01μA : 80dB@f=1kHz Protection Circuits : Current Limit (400mA) Short Circuit Protection Over Heat Protection Inrush Current Protection Low ESR Capacitors CE Function : CIN =1.0μF, CL=1.0μF : Active High CL H.

📥 Download Datasheet

Datasheet preview – XC6223

Datasheet Details

Part number XC6223
Manufacturer Torex Semiconductor
File Size 1.23 MB
Description 300mA High Speed LDO Voltage Regulator
Datasheet download datasheet XC6223 Datasheet
Additional preview pages of the XC6223 datasheet.
Other Datasheets by Torex Semiconductor

Full PDF Text Transcription

Click to expand full text
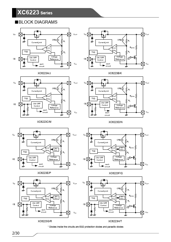
XC6223 Series ETR03039-012a Built-in Inrush Current Protection, 300mA High Speed LDO Voltage Regulator ■GENERAL DESCRIPTION The XC6223 series is a high speed LDO regulator that features high accurate, low noise, high ripple rejection, low dropout and low power consumption. The series consists of a voltage reference, an error amplifier, a driver transistor, a current limiter, a phase compensation circuit, a thermal shutdown circuit and an inrush current protection circuit. The CE function enables the circuit to be in stand-by mode by inputting low level signal. In the stand-by mode, the series enables the electric charge at the output capacitor CL to be discharged via the internal switch, and as a result the VOUT pin quickly returns to the VSS level.
Published: |