• Part: XCL248
  • Description: 600mA Inductor Built-in Step-down Converter
  • Manufacturer: Torex Semiconductor
  • Size: 1.09 MB
Download XCL248 Datasheet PDF
Torex Semiconductor
XCL248
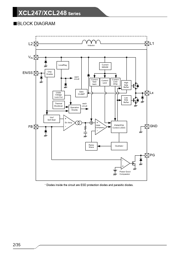
DESCRIPTION The XCL247/XCL248 Series is a small (3.0mm×3.0mm, h=1.7mm) 36V, 600m A step-down DC/DC converter with an integrated control IC and coil. Integrating the coil makes for easier circuit board layout and minimizes malfunction and noise from the ponent and wiring layout. The input voltage range is 3.0V to 36.0V, and the switching frequency is 1.2MHz, making it possible to supply a stable voltage with high efficiency. The output voltage can be changed from 2.8V to 6.0V using an external resistor, so the same part number can be used for multiple power lines. By connecting a resistor and capacitance to the EN/SS terminal, it is possible to externally adjust the soft start time longer than the internal soft start. The power good function also monitors the output voltage status. This soft start external adjustment function and power good function make it easy to configure the power supply sequence. The built-in current limiter and thermal shutdown functions as protection functions...