• Part: XC9285
  • Description: 1A Synchronous Step-Down DC/DC Converters
  • Manufacturer: Torex Semiconductor
  • Size: 1.57 MB
Download XC9285 Datasheet PDF
Torex Semiconductor
XC9285
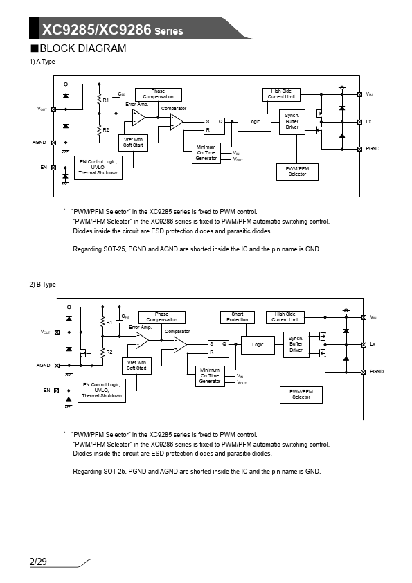
DESCRIPTION ☆Green Operation patible The XC9285/XC9286 series are 1.0A synchronous step-down DC/DC converters with a built-in P-channel driver FET and Nchannel driver FET. The Output voltage is internally set in a range from 0.8V to 3.6V increments of 0.05V. Only an inductor and two capacitors were connected externally. Hi SAT-COT is a proprietary high-speed transient response technology for DC/DC converter which was minimized output voltage during load fluctuations. It is Ideal for the applications with large instantaneous load fluctuations such as FPGAs and equipment that requires stable output voltage. Two types of package SOT-25, USP-6C are available. (- ) Hi SAT-COT is a proprietary high-speed transient response technology for DC/DC converter which was developed by Torex. It is Ideal for the LSI's that require high precision and high stability power supply voltage. - APPLICATIONS - FEATURES - munication equipment / modules Input Voltage Range : 2.5V ~ 5.5V (Bluetooth/Wi-Fi/GPS...